2023-08-26 11:27:17 | 人围观 | 评论:
频率计是电子硬件工程师常常会用到的一个电子仪器。它被用来测量信号周期,频率特征等功能的独立器件,是一种专门对被测信号频率进行测量的测量仪器。
不过很多人应该也知道,示波器也是可以测量频率的,那为什么还要有专门的频率计呢?
相比与示波器,频率计测试信号的频率时精度更高,并且测量精度不随挡位变化而产生微小变化,是专业的频率测量工具,在需要高精度的测量场景中有重要的作用(比如说测量CPU等中央处理单元过程中附近的晶振频率)。
频率计实现原理
在工作原理上可以划分为5个步骤:
信号输入-->垂直系统-->采样-->频率计算-->结果显示
频率计算通过直接对ADC采样得到的原始数据进行处理和分析,得到信号频率。
在具体的分析过程中会经过两个步骤
边沿判断
最明显的就是通过判断高电平到低电平的转换,也就是通过判断上升沿和下降沿,来计算时间间隔。
不过在实际的波形量测过程中肯定会碰到有噪声的情况,这个时候上升沿和下降沿不就会有多余的了吗?

对于这种情况,频率计中是可以设置比较电平的,在设置了比较电平之后,只有同时跨过两个比较电平的跳变才算是有个有效的周期。
统计/计算
进行完边沿判断之后,就是对边沿判断得到的数据进行整理分析了。
一般会用两种方法进行频率周期的计算。
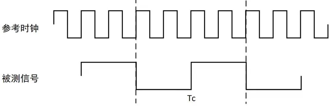
a,测量频率法
一段时间信号周期的个数=这段时间上升沿(或下降沿)个数减1,然后用这段时间周期个数可以得到一个周期的具体时间是多少,从而得到信号频率(也就是1/t),通常用于高频信号的采集。不过在实际计算过程中考虑到误差,如下图中的Ts,Te,是会产生不完整的被测信号周期,所以在计算过程中需要减去这部分的时间。

最后信号周期的计算公式就是Tc=(Tg - Ts - Te)/(N - 1)
b,测量周期法
测周法会更好理解一点,和名字一样,它是直接测量被测信号一个周期所花的时间。

得到时间之后,就直接通过时间的倒数得到被测信号的频率,不过一般用在低频信号的采集。
通常频率计会自动选择依靠那种测量方法进行计算,不需要用户去进行考虑选择。
频率计的性能指标
a,有效位数
就是测量的范围,从测量结果的从左边起第一个非0的所有位数,也就是多少多少频率,比如说显示频率为32.138473MHz, 它的有效位数就是8个。
b,测量时间
测量时间指的是频率计每次获取一次有效测量结果要花的时间。不过会分两种情况,也就是前面提到的测频法和测周法。
对于测频法,测量时间为闸门时间,比如说1秒2秒都有。
对于测周法,测量时间取决于被测信号的周期时长,也就是被测信号一个周期所花的时间。
c,测量误差
测量误差越小,频率计的性能就越好,当然技术要求更高,价格也会更贵啦。
并且在测量时,可以在频率计中设置显示多个参数,比如说频率平均值,最大值,最小值,然后比较三者的数值差距大不大,从而判断可以清晰的看到误差以及被测信号是否存在异常等等问题。

全站搜索