2023-09-05 11:25:58 | 人围观 | 评论:
本文的关键要点
・如果将延长电缆与DUT引脚焊接并连接电压探头进行测量,在开关速度较快时,观察到的波形会发生明显变化。
・受测量时所装的延长电缆的影响,观察到的波形会与真正的原始波形完全不同。
・在观测波形时,需要时刻注意观察到的波形是否是真正的原始波形。
SiC MOSFET具有出色的开关特性,但由于其开关过程中电压和电流变化非常大,因此如Tech Web基础知识 SiC功率元器件“SiC MOSFET:桥式结构中栅极-源极间电压的动作-前言”中介绍的需要准确测量栅极和源极之间产生的浪涌。在这里,将为大家介绍在测量栅极和源极之间的电压时需要注意的事项。我们将以SiC MOSFET为例进行讲解,其实所讲解的内容也适用于一般的MOSFET和IGBT等各种功率元器件,尽情参考。
测量SiC MOSFET栅-源电压:一般测量方法
电源单元等产品中使用的功率开关器件大多都配有用来冷却的散热器,在测量器件引脚间的电压时,通常是无法将电压探头等直接安装到器件引脚上的。因此,有时会将延长电缆焊接到器件的引脚上,并在产品外壳外部连接电压探头进行测量。
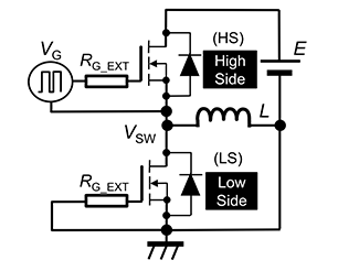
图1为在ROHM评估板(P02SCT3040KR-EVK-001)上安装散热器并将电压探头与延长电缆连接进行测量时的示例。其中,将连接电压探头用的延长电缆(长约12cm)焊接到被测器件(DUT)的引脚上,并将延长电缆绞合以抑制辐射噪声的影响。使用这种测量方法,实施图2所示的桥式结构下的双脉冲测试,并观察波形。

图1. 将电压探头与延长电缆连接
来测量栅-源电压

图2. 双脉冲测试电路
在双脉冲测试电路的高边(HS)和低边(LS)安装ROHM的SiC MOSFET SCT3040KR,并使HS开关、LS始终OFF(栅极电压=0V)。图1所示的延长电缆已经直接焊接在HS的栅极引脚和源极引脚上。
图3为测量到的栅-源电压波形。当外置栅极电阻RG_EXT为10Ω时,延长电缆并没有太大的影响,但当将RG_EXT设置为3.3Ω并提高开关速度时,就会因电压和电压的变化而诱发噪声和电路的高频工作,导致测量到的波形发生了显著变化。在该示例中,受测量用的延长电缆的影响,测量仪器中显示的频段范围发生了变化,由于附加了额外的阻抗而导致观察到的波形与真正的原始波形完全不同。

导通波形

关断波形
图3. 安装延长电缆测量到的栅-源电压波形。与真正的原始波形完全不同
需要注意的是,必须始终留意观察到的波形是否是真正的原始波形,或者观察到的波形是否由于某些影响因素而与原始波形不同。为此,不仅要知道如何进行准确的观察,还要知道影响观察的因素。
图4是该测量所用的电压差分探头的等效电路(*1、*2)。通常,电压探头的频率特性设置包括探头的头部。然而,如果在DUT的测量引脚上安装延长电缆的话,在观察几十ns的高速开关波形时,会在杂散电感LEXT和电压探头主体的输入电容C之间引发谐振现象,从而产生叠加在原始电压波形上的高频电压振铃,这可能会导致观察到的浪涌比实际的浪涌更大。

图4. 电压差分探头的等效电路
审核编辑:汤梓红
全站搜索