2023-12-15 21:14:05 | 人围观 | 评论:
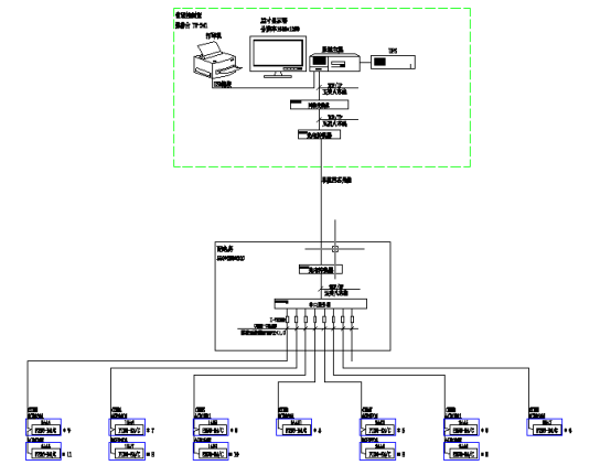
站控管理层管理人员与计算机进行人机交互的直接窗口,对采集的现场各类数据信息计算、分析与处理,并以图形、数显、声音等方式反映现场的运行状况,是系统的上层部分。主要由系统软件和必要的硬件设备,如工业级计算机、打印机、UPS电源等组成。 通讯层使用的设备为串口服务器。该层是数据信息交换的桥梁,负责对现场设备回送的数据信息进行采集、分类和传送等工作的同时,转达上位机对现场设备的各种控制命令。 现场设备层主要是连接于网络中用于电参量采集测量的各类型的安科瑞PZ72L-E4/C仪表,也是构建该配电系统必要的基本组成元素。现场配置居正的电能表,实现低压回路三相电流、三相电压、频率、功率、四象限电能等电参量监测;并对每个回路断路器分合闸状态进行监测。 2.2 网络设计 电力监控系统中的网络系统能够及时的对数据进行传输,并迅速传递操作指令,是实现电力监控系统各项功能的基础。把现场每个设备就地与总线连接,之后在把各条总线全部接入串口服务器,来实现与主机的传递。 本项目的网络设计为:每个配电房内设计一个数据采集箱,电力仪表通过RS485总线接入数据采集箱内的数据采集器,通过光电转换器转换为光信号,通过光纤传输到值班室内,再通过值班室内的光电转换器接入站控层内的监控主机。 2.3监控系统软件功能设计 系统依据客户实际需求进行设计,并实现了一次主接线图界面显示;电参量遥测及电参量越限报警;事件记录;系统运行异常监测;故障报警及操作记录;报表查询与打印;系统负荷实时、历史曲线,用户权限管理等主要功能。 2.3.1数据的采集与处理 数据采集主要包括模拟量以及开关量的采集。模拟量的采集主要是对线路电压、电流、功率、功率因数、频率等信息进行采集,开关量的采集则主要是对断路器的工作状态,以及断电保护、运行故障等报警信息进行采集,实现远程数据的本地实时显示。数据处理主要是把按要求采集到的电参量实时准确的显示给用户,达到配电监控的自动化化要求,同时把采集到的数据存入数据库供用户查询。
2.3.2数据报表统计 电力监控系统以丰富的数据报表体现计量体系的完整性。系统具备各回路定时抄表汇总统计功能,用户可自由查询自系统正常运行以来任意时间段内各配电节点的用电情况,即该节点进线用电量与各分支回路消耗电量的统计分析报表。该功能使得用电可视透明,并在用电误差偏大时可追溯,维护计量体系的正确性。
2.3.3电流曲线查询 电力监控系统对配电系统总进线回路(或重要负荷的出线)设计了负荷趋势曲线。便于配电维护人员及时掌握用电需求与供电系统负荷占比,确保供电可靠性,为用户单位的用能权益提供保障。借助该功能,还可分析用能需量的增长趋势,适时调整需量申报,减少因需量偏差过大造成的多余缴费。其次,电力监控系统的数据记录功能也包括对故障信息的记录,即对故障发生时的实时电流、实时电压等数据进行记录存储。电力监控系统能通过管理人员对电压、电流及功率的设置,从而实时监测配电情况,是否出现短路或者超负荷等情况,便于工作人员解决。
2.3.4用户权限管理 电力监控系统为了本项目系统安全稳定运行,用户权限管理能够防止未经授权的操作(如配电回路名称修改)。可以定义不同级别用户的登录名、密码及操作权限,为系统运行维护管理通过可靠的安全保障。
3建设电力监控系统的意义 随着社会的发展及电力的广泛应用,电力监控系统已成为全国各地工程项目、工业企业等大面积多变电所用户的必然选择,本文介绍的Acrel-2000电力监控系统在北汽瑞丽汽车的应用,可以实现对变电所10KV配电回路用电的实时监控与电能管理,不仅能显示回路用电状况,还具有网络通讯功能,可以与串口服务器、计算机等组成电力监控系统。系统实现对采集数据的分析、处理,实时显示变电所内各配电回路的运行状态,对分合闸、负载越限具有弹出报警对话框及语音提示,并生成各种电能报表、分析曲线、图形等,便于电能的远程抄表以及分析、研究。该系统运行安全、可靠、稳定,为变电所用户解决用电问题提供了真实可靠的依据,取得了较好的经济效益。
全站搜索