首页
电工知识
机械维修
仪器仪表
工业控制
试题总结
安全用电
电力配电
电工配件
导航
本站搜索
电工知识
机械维修
仪器仪表
工业控制
试题总结
安全用电
电力配电
电工配件
家电弱电
业界资讯
通信技术
你的位置:
首页
>
仪器仪表
>
电工仪器仪表
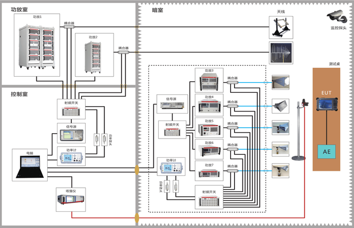
纳特通信EMC系统通用介绍
2023-12-23 11:25:18 | 人围观 |
评论:
纳特
通信
传导抗扰度测试系统
电力、
电子
、通讯等设备通过物理连接或空间
耦合
方式相互产生干扰。造成
产品
有用性能的降低或不可逆转的损坏,这就造成
电磁兼容
性的问题
电磁兼容(
EMC
)从广义上可以将其研究方向分为电磁干扰(EMI)和电磁抗扰(EMS)。
电磁抗扰从其耦合方式的不同,又可从以下传导和辐射两个方向来分析研究。
纳特通信辐射抗扰度测试系统(10kHz-40GHz 200V/m)
【南京纳特通信电子有限
公司
成立于2004年,是一家专注从事
射频
功率放大器
、无源互调测试系统、电磁兼容测试系统、
天线
测试系统、无线信道
仿真
系统和OTA测试系统研发、制造、销售、服务的高新技术企业。应用领域包括电磁兼容、空间探索、高能物理、
无线通信
、计量
检测
和医疗设备等。 】
< 上一篇
外贴式液位开关的特点及应用
下一篇 >
光学3d表面轮廓仪是做什么
标签:
[db:tags]
相关内容推荐:
2023-12-23
纳特通信EMC系统通用介绍
推荐阅读
什么都不会可以学习电工吗?电工难学吗?电工应该怎么样入门?电工应该怎么样学精通?
安防门禁系统常见故障及维修方法
智能门锁用什么电池好?智能门锁电池用碳性好还是碱性好?常见5号AA电池选购指南
装修时零线火线接反了怎么办?老电工教您一招三分钟搞定
小型断路器上标数字都表示什么?小型断路器参数解析
电工经验分享:几个小窍门让你工作起来得心应手
万用表判断单相电机好坏方法图解
家装配电箱接线是否每个回路的零线都要接在零线排上?
电工入门到底该怎么样学习?电工入门应该五步走
电热水壶内部电路原理图及故障维修方法
最热文章
安装监控需要多少钱?人工费怎么算?安装监控收费标准
电容的公式
电热水壶内部电路原理图及故障维修方法
2020年电工职业资格证取消了?电工职业资格证退出国家目录
7812引脚图及参数,7812稳压电路图
雅迪电动车控制器接线图解读
plc编程工资多少一个月
汽车电动车窗的组成和电路图工作原理图解
新版电工证是不是只有电子版?电工证二维码能造假吗?新二维码电工证照图片
漏电保护器图形符号和文字符号
全站搜索