2024-01-05 11:25:18 | 人围观 | 评论:

图8 4PT连接方式1电容电流测量测量范围:
图9 4PT连接方式2图9和图8中的接线唯一区别是在N-L端串接入第四个PT的33V二次线圈,这样当系统单相接地时,N-L两端电压为91V(即57.7V+33.3V)。在图8和图9中,测量信号都是从N-L端注入。在图8中,零序PT(即第4个PT)的二次零序绕组是ox-oa绕组,其电压通常为1003
(V),则测量时PT变比为UL31003
。这种接线方式和变比下,对应于测试仪的“PT方式”中的“4PT”方式。也就是说,如果接线方式如图8所示,则在测量电容电流前必须将“参数设置”屏幕中的“PT方式”设置为“4PT”。在图9中,零序PT(即第4个PT)的二次零序绕组是由主绕组ox-oa绕组和副绕组oxo-oao串联组成,主绕组ox-oa的电压为1003
(V),副绕组oxo-oao的电压为100/3V,则测量时PT变比为UL31003+1003
(其中UL
为电力系统的线电压,如6kV、10kV或35kV)。这种接线方式下,对应于测试仪的“4PT1”连接方式。
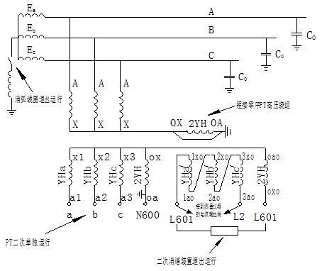
图10 4PT连接方式3第三种4PT接线方式如图10所示。这种接线方式比较少见,但在系统中还是存在。在图10中这种接线方式三相PT的三个二次辅助绕组即:1ao-1xo、2ao-2xo、3ao-3xo组成开口三角L601-L602,oa-ox和oao-oxo为零序PT的两个二次绕组,它们与开口三角L601-L602组成一个大的开口三角N600-L601。相电压也是从a、b、c与N600中测量。对于这种接线方式,将L601和L602短接,并从N600和L601端注入测量电流,“PT方式”选择“4PT1”即可。注意:在测量前还应将与PT二次绕组并联的其它PT二次绕组断开;退出系统中消弧线圈。
图11 4PT连接方式转变为3PT连接方式测量示意图对于4PT连接方式3,将零序PT即图10中所示的PT4的高压绕组短接,将仪器的电流输出端接到图10中所示的开口三角L601-L602,就可以开始测量了。其接线图如图11所示。
全站搜索