2024-01-20 11:26:06 | 人围观 | 评论:
逆变器的分类,来源:华秋商城
两种换向逆变器的对比区别
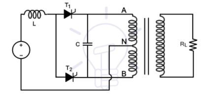
并联逆变器
半桥逆变器
对于任何负载,一次只有2个晶闸管工作。晶闸管T1和T2将在一个周期导通,而T3和T4将在另一个周期导通。换句话说,当T1和T2处于ON状态时,T3和T4处于OFF状态,而当T3和T4处于ON状态时,则其他两个处于OFF状态。一次打开两个以上的晶闸管会引起短路,产生过多的热量并立即烧毁电路。
这些逆变器被称为离网模式逆变器,因为这些逆变器不受公用电网的影响。这些逆变器无法连接到公用电网,因为它们不具有同步能力,其中同步是匹配两个交流电源的相位和标称频率(50/60hz)的过程。
双峰逆变器
双峰逆变器的功能会随着负载而变化。如果电网出现问题或当可再生能源的功率足以满足负载时,其功能将更改为独立逆变器(它成为独立逆变器)。在这种情况下,转换开关会断开逆变器与电网的连接。
给定模型的工作操作极其简单。只需打开和关闭开关就会同时改变输出端的电流。换言之,以所需频率切换单刀双掷将在典型逆变器(即中心抽头变压器)的输出端产生交流方波。一个典型的正弦波的谐波失真为约45%,这可以通过使用可进一步降低过滤器将过滤掉一些谐波。
准正弦波逆变器的结构比纯正弦波逆变器简单得多,但比纯方波逆变器要复杂一些。
纯正弦波逆变器的构造和工作比方波和修正方波逆变器复杂得多。
两电平逆变器和多电平逆变器全站搜索