2016-11-22 13:46:19 | 人围观 | 评论:
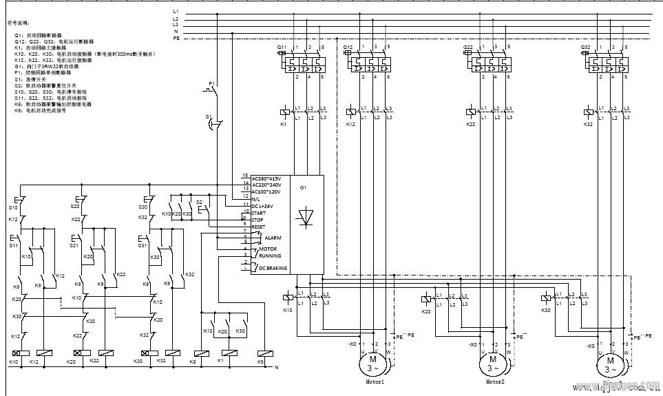
软启动器一拖三的原理图,这里概要地介绍一下其工作原理,对问题会有一定帮助。
以第一台电机为例,软启工作过程如下:按下启动按扭S11,软启在没Alarm报警时K8是得电吸合的,所以K8常开点闭合,K20、K30没启动(或已启动完成)不动作常闭,第一台电机的启动接触器K10(延时断开接触器)得电,K10常开点闭合,主接触器K1也得电闭合,软启启动第一台电机启动,电机启动完成后,K9闭合,K12得自保持电闭合,K10延时到达后断开,K1也断开,软启动器退出工作,不再供电,第一台电机由K12供电运行。可以接下来软启可以去启动第二或第三台电机。这样软启就能做到每次单独启动一台电机而不影响其它电机。
对于一拖一的软启动器启动完电机后,旁中接触器闭合工作,软启动器延时一小段时间后退出供电。当然,如果只是一拖一,只要软启动器的功率不小于电机功率,不用旁路接触器也完全没问题。
全站搜索