首页
电工知识
机械维修
仪器仪表
工业控制
试题总结
安全用电
电力配电
电工配件
导航
本站搜索
电工知识
机械维修
仪器仪表
工业控制
试题总结
安全用电
电力配电
电工配件
家电弱电
业界资讯
通信技术
你的位置:
首页
>
工业控制
>
变频器软启动器
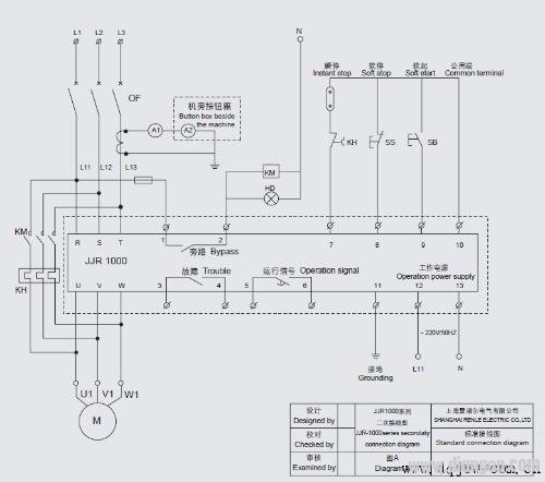
软启动器的接线图和原理图
2016-11-22 13:46:19 | 人围观 |
评论:
施奈德ATV31软启动器的接线图
< 上一篇
SCR软启动技术的原理
下一篇 >
软启动器与旁路控制是如何切换的?
标签:
相关内容推荐:
2024-02-22
软启动器的启动模式
2024-02-20
变频器软启动器的使用方法
2024-02-05
软启动器的主要技术参数
2024-02-05
软启动器的功能特点
2024-02-05
软启动器的维修检查
2024-02-04
什么是软启动器的软停
2024-02-04
软启动器的工作原理分析
2024-02-04
软启动器的启动方式
2019-10-24
软启动器的试机条件
2018-12-13
软启动器的启动特性
2016-12-25
电机软启动器的特点
2016-11-22
软启动器的技术特点与应用范围
推荐阅读
什么都不会可以学习电工吗?电工难学吗?电工应该怎么样入门?电工应该怎么样学精通?
安防门禁系统常见故障及维修方法
智能门锁用什么电池好?智能门锁电池用碳性好还是碱性好?常见5号AA电池选购指南
装修时零线火线接反了怎么办?老电工教您一招三分钟搞定
小型断路器上标数字都表示什么?小型断路器参数解析
电工经验分享:几个小窍门让你工作起来得心应手
万用表判断单相电机好坏方法图解
家装配电箱接线是否每个回路的零线都要接在零线排上?
电工入门到底该怎么样学习?电工入门应该五步走
电热水壶内部电路原理图及故障维修方法
最热文章
安装监控需要多少钱?人工费怎么算?安装监控收费标准
电容的公式
电热水壶内部电路原理图及故障维修方法
2020年电工职业资格证取消了?电工职业资格证退出国家目录
7812引脚图及参数,7812稳压电路图
雅迪电动车控制器接线图解读
plc编程工资多少一个月
汽车电动车窗的组成和电路图工作原理图解
新版电工证是不是只有电子版?电工证二维码能造假吗?新二维码电工证照图片
漏电保护器图形符号和文字符号
全站搜索