2017-02-03 15:58:23 | 人围观 | 评论:
一、消火栓灭火系统简介
采用消火栓灭火是最常用的移动式灭火方式,它由蓄水池、加压送水装置(水泵)及室内消火栓等主要设备构成。
室内消火栓系统由水枪、水龙带、消火栓、消防管道等组成。
常用的加压设备有两种:消防水泵和气压给水装置。采用消防水泵时,在每个消火栓内设置消防按钮,灭火时用小锤击碎按钮上的玻璃小窗,按钮不受压而复位,从而通过控制电路启动消防水泵。采用气压给水装置时,可采用电接点压力表,通过测量供水压力来控制水泵的启动。
二、消火栓用消防水泵的控制要求
消火栓灭火系统由消火栓、消防水泵、管网、压力传感器及电气控制电路组成。消火栓灭火系统属于闭环控制系统。当发生火灾时,控制电路接到消火栓泵启动指令发出消防水泵启动的主令信号后,消防水泵电动机启动,向室内管网提供消防用水,压力传感器用来监视管网水压,并将监测水压信号送至消防控制电路,形成反馈的闭环控制。

消火栓灭火系统框图
1.对消防水泵控制的三种方法有
(1)由消防按钮控制消防水泵的启停:当火灾发生时,用小锤击碎消防按钮的玻璃罩,按钮盒中按钮自动弹出,接通消防泵电路。
(2)由水流报警启动器,控制消防水泵的启停:当发生火灾时,高位水箱向管网供水时,水流冲击水流报警启动器,于是即可发出火灾报警,又可快速发出控制消防泵启动信号。
(3)由消防中心发出主令信号控制消防泵启停:当发生火灾时,灾区探测器将所测信号送至消防中心的报警控制器,再由报警控制器发出启动消防水泵的联动信号。
2.控制要求
(1)消火栓用消防泵多数是两台一组,一备一用,互为备用。
(2)互为备用的另一种形式为水压不足时,备用泵自动投入运行。另外,当水源无水时,水泵能自动停止运转,并设水泵故障指示灯。
(3)消火栓消防泵由消火栓箱内消防专用控制按钮及消防中心控制。
(4)设有工作状态选择开关:消火栓消防泵有手动、自动两种操作方式。
(5)消防按钮启动后,消火栓泵应自动投入运行,同时应在建筑物内部发出声光报警,通告住户。
(6)为了防止消防泵误启动使管网水压过高而导致管网爆裂,需加设管网压力监视保护。
(7)消防泵属于一级供电负荷,需双电源供电,末端互投。
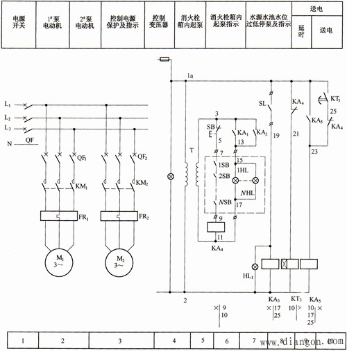
三、两台消火栓用消防泵一用一备的电气控制

两台消火栓用消防泵一用一泵的电气控制线路(一)
两台消火栓用消防泵一用一泵的电气控制线路(二)
1.电动机配置情况及其控制
该电路共配置两台电动机M1和M2,采用直接启动方式,由接触器KM1、KM2控制。
断路器QF1、QF2分别作M1、M2的短路保护,热继电器FR1、FR2分别作M1、M2的长期过载保护。
2.主要电气元件的作用
(1)消防泵专用按钮的作用
1SB―NSB[6]为设在消火箱内的消防泵专用控制按钮,按钮上带有消防泵运行指示灯1HL~NHL[7]。消防泵专用控制按钮平时由玻璃片压着,其动合触头闭合,使中间继电器KA4[6]得电吸合。当发生火灾时,打碎消火栓箱内消防专用控制按钮的玻璃片,该消防专用控制按钮的动合触头复位断开,使KA4失电释放,从而启动消防泵。
(2)万能转换开关的作用
万能转换开关SA为消防泵工作状态选择开关,可使两台泵分别处在1#泵用2#泵备、2#泵用1#泵备或两台泵均为手动的工作状态,其触头工作状态见下表。
万能转换开关SA触头工作状态
|
|
|
|
|
| |
1#泵用2#泵备 |
| × |
|
|
| × |
手动 | × |
|
| × |
|
|
2#泵用1#泵备 |
|
| × |
| × |
|