2017-02-03 15:58:23 | 人围观 | 评论:
生活给水设备分成非匹配式和匹配式两种型式。
非匹配式的特征是:水泵的供水量总保持大于系统的用水量。如前面所述的高位水箱给水方式和气压罐给水方式,当水至低水位时启动水泵,达到高水位时停泵。
匹配式供水设备的特征是:水泵的供水量随着用水量的变化而变化,无多余水量不设蓄水设备。变频调速恒压供水就属于一种完全匹配式的供水方式。
变频调速恒压供水是通过改变水泵电机的供电频率,调节水泵转速,通过仪表检测出供水压力并加以控制,保证在用水量变化时供水量也随之变化,实现供水量与用水量的匹配,保护供水的压力恒定即恒压供水。这种供水系统要求供电系统可靠,否则,由于没有蓄水设备,停电即停水。
1、两台泵变频调速恒压供水电路的构成和原理
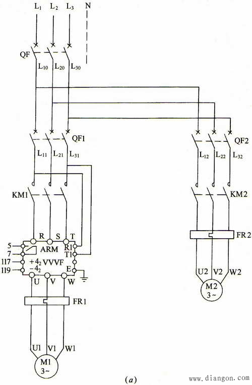
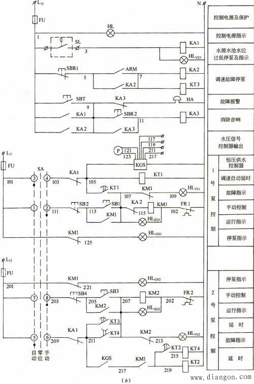
采用两台水泵,一台是由变频器VVVF(变压变频)供电的变速泵M1,另外一台是由普通交流电压供电的定速泵M2。水泵供水控制系统原理图如图3-9所示,图(a)为生活泵变频调速恒压供水主电路;图(b)为控制电路,由水位信号控制回路、水泵电动机M1、M2控制回路组成。图中KGS为恒压供水控制器。
当系统用水量较小时,可以只用变频器供电的变速泵M1,当变频器供电的频率达到最大时,表明一台水泵已不能满足系统用水要求,此时需要启动定速泵M2,由变速泵M1与定速泵M2同时工作。当系统用水量减小到使变频器的输出频率低于某一设定值时,此时控制系统就将定速泵M2停运,只应用变速泵M1。这时又回到原先的状态,如此循环往复,以满足系统用水的需要。这种控制方式的优点是结构简单,安装调试方便。但在整个供水过程中由变频器供电的变速水泵总在工作,该水泵一旦出现故障将会影响整个系统的供水。

(a)主电路
(b)控制电路
生活泵变频调速恒压供水电路
2、控制线路的工作过程
1、用水量较小时,变速泵工作
合上自动开关QF1、QF2,将转换开关SA转至“自动”档,其触头3 4、5 6闭合,恒压供水控制器KGS和时间继电器KT1同时通电,经预定的时间延时后,KT1延时闭合的动合触头闭合,接通105 107点,使接触器KM1线圈得电,KM1的主触头动作闭合,使变速泵M1启动运转,恒压供水。水压信号经水压变送器送到控制器KGS,由KGS控制变频器VVVF的输出频率,达到控制水泵的转速。当系统用水量增大时,水压欲下降,控制器KGS使变频器VVVF的输出频率提高,水泵加速运转,以实现需水量与供水量的匹配。当系统用水量少时,水压欲上升,控制器KGS使变频器VVVF的输出频率降低,水泵减速运转。这样根据用水量的大小,水压的变化,通过改变变频器的频率实现对水泵电动机的调整,维持了系统水压基本不变。
2、变速泵故障状态
当变速泵M1在工作过程中出现故障时,变频器VVVF中的电接点ARM闭合,接通5 7点,使中间继电器KA2线圈通电吸合并自锁,1 9点接通,警铃HA响,同时时间继电器KT3通电,经过预定的时间延时后,KT3的动合触头延时闭合,接通211 207点,使接触器KM2线圈得电,KM2的主触头动作闭合,定速泵电动机M2启动运转。
3、用水量大时,两台泵同时运行
当变速泵M1启动后,随着用水量增加,变频器VVVF的输出频率提高,水泵不断加速运转,当变频器供电的频率达到最大,仍无法满足用水量要求时,控制器KGS使2号泵控制回路中的211与217号线接通(即控制器KGS的触点此时闭合),使时间继电器KT2线圈得电,经预定时间延时后,KT2的动合触点(即219 215点)延时闭合,使时间继电器KT4得电,KT4延时断开的常开触头瞬时闭合,接通211-207点,于是接触器KM2线圈得电动作,其主触头闭合,定速泵M2启动运转,以满足系统用水量大增的需要。
4、用水量减小,定速泵电动机M2停转
当系统用水量减小到使变频器的输出频率低于某一设定值时,控制器KGS使2号泵控制回路中的211与217号线断开,时间继电器KT2线圈失电释放,随后KT4线圈也失电,KT4断电延时的常开触头延时断开,即211 207点断开,使KM2线圈失电,其主触头断开,定速泵电动机M2停止运转,使供水量与用水量匹配。
全站搜索