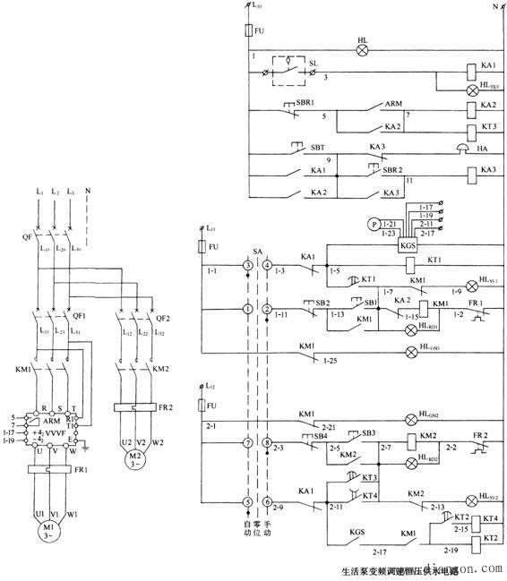
一般情况下,生活给水设备分成两种型式,即非匹配式与匹配式。 非匹配式的特征是水泵的供水量总保持大于系统的用水量。 匹配式的特征是水泵的供水量随着用水量的变化而变化,无多余水量,不设蓄水设备。变频调速恒压供水就属于此类型。通过计算机控制,改变水泵电动机的供电频率,调节水泵的转速,自动控制水泵的供水量,以确保在用水量变化时,供水量随之变化,从而维持水系统的压力不变,实现了供水量和用水量的相互匹配。 1. 变速泵启动 转换开关至“自动”位,QF1↑、QF2↑→KGS↑,KT1↑→(延时)→KM1↑→变速泵M1启动运行供水。 2. 用水量较小时,变速泵工作 当系统用水量 ,水压 ,控制器KGS使变频器VVVF的输出频率f ,水泵加速运转,以实现需水量与供水量的匹配。 当系统用水量 ,水压 ,控制器KGS使变频器VVVF的输出频率 ,水泵减速运转。 3. 用水量大时,两台泵同时运行 当变速泵启动后,随着用水量增加,变速泵不断加速,但如果仍无法满足用水量要求时,控制器KGS使2号泵控制回路中的2―11与2―17号线接通(即控制器KGS的触点此时闭合),KT2↑→(延时)→KT4↑→KM2→定速泵M2启动运转以提高供水量。 4. 用水量减小,定速泵停止 当系统用水量减小到一定值时,KGS触点断开,使KT2、KT4失电释放,KT4延时断开后,KM2失电,定速泵M2停止。  |