2016-11-22 13:48:39 | 人围观 | 评论:
1.指令作用
LD(取)为常开触头逻辑运算起始指令,LDI(取反)则为常闭触头逻辑运算起始指令,OUT(输出)用于线圈驱动,其驱动对象有输出继电器(Y)、辅助继电器(M)、状态继电器(S)、定时器(T)、计数器(C)等。OUT指令不能用于输入继电器,OUT指令驱动定时器(T)、计数器(C)时,必须设置常数K或数据寄存器值。
2.使用示例
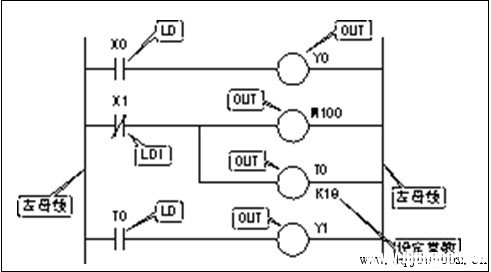
图1是由LD、LDI、OUT指令组成的梯形图,其中OUT M100和OUT T0的线圈可并联使用。

图1 LD、LDI、OUT指令组成的梯形图
该梯形图对应的语句指令程序为:
程序步 语句 注释
1 LD X0 //与左母线相连
2 OUT Y0 //驱动线圈
3 LDI X1
4 OUT M100 //驱动通用辅助继电器
5 OUT T0 //驱动定时器
K19 //设定常数
6 LD TO
7 OUT Y1
1.指令作用
AND(与)用于常开触头串联连接,ANI则用于常闭触头串联连接。串联触头个数没有限制,理论上该指令可以无限次重复使用,实际由于图形编程器和打印机功能有限制,一般一行不超过10个触头和1个线圈,而连续输出总共不超过24行。
2.使用示例
图2是由AND、ANI指令组成的梯形图。OUT指令之后可通过触头对其他线圈使用OUT指令,称为纵向输出或连续输出。例在OUT M101指令后,可通过触头T1对线圈Y4使用OUT进行连续输出,如果顺序不错,可多次重复使用连续输出。

梯形图对应的语句指令程序为:
LD X2
AND X0 //串联常开触头
OUT Y3
LD Y3
ANI X3 //串联常闭触头
OUT M101
AND T1 //串联触头
OUT Y4 //连续输出
1.指令作用
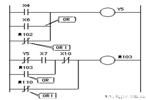
OR(或)是常开触头并联连接指令,ORI(或反)是常闭触头并联连接指令。除第一行并联支路外,其余并联支路上若只有一个触头时就可使用OR、ORI指令。OR、ORI指令一般跟随LD、LDI指令后,对LD、LDI指令规定的触头再并联一个触头。
2.使用示例
图3是由OR、ORI指令组成的梯形图。由于OR、ORI指令只能将一个触头并联到一条支路的两端,即梯形图中M103或M110所在支路只有一个触头,梯形图对应的语句指令程序程序为:
LD X4
OR X6 //并联一个常开触头
ORI M102 //并联一个常闭触头
OUT Y5
LDI Y5
AND X7
OR M103 //并联一个常开触头
ANI X10
ORI M110 //并联一个常闭触头
OUT M103

图3 OR、ORI指令组成的梯形图
1.指令作用
LDP(取脉冲上升沿)是上升沿检测运算开始指令,LDF(取脉冲下降沿)是下降沿脉冲运算开始指令,ANDP(与脉冲上升沿)是上升沿检测串联连接指令,ANDF(与脉冲下降沿)是下降沿检测串联连接指令,ORP(或脉冲上升沿)是上升沿检测并联连接指令,ORF(或脉冲下降沿)是下降沿检测并联连接指令。
LDP、ANDP、ORP等指令用于检测触头状态变化的上升沿,当上升沿到来时,使其操作对象接通一个扫描周期,又称为上升沿微分指令。LDF、ANDF、ORF等指令用于检测触头状态变化的下降沿,当下降沿到来时,使其操作对象接通一个扫描周期,又称为下降沿微分指令。这些指令的操作对象有X、Y、M、S、T、C等。
2.使用示例

图4 LDP、ORF、ANDP指令组成的梯形图
图4是由LDP、ORF、ANDP指令组成的梯形图。在X2的上升沿或X3的下降沿时线圈Y0接通。对于线圈M0,需在常开触头M3接通且T5上升沿时才接通。
梯形图对应的语句指令程序为:
LDP X2 //取脉冲上升沿
ORF X3 //或脉冲下降沿
OUT Y0
LD M3
ANDP T5 //与脉冲上升沿
OUT M0
1.指令作用
两个或两个以上的触头串联连接的电路称为串联电路块,块或ORB指令的作用是将串联电路块并联连接,连接时,分支开始用LD、LDI指令,分支结束则用ORB指令。
两个或两个以上的触头并联连接的电路称为并联电路块,块与ANB指令的作用是将并联电路块串联连接,连接时,分支开始用LD、LDI指令,分支结束则用ANB指令。
块或(ORB)和块与(ANB)指令均无操作元件,同时ORB、ANB指令均可连续使用,但均将LD、LDI指令的使用次数限制在8次以下。
2.使用示例
图5是由ORB、ANB指令组成的梯形图。该梯形图先由X0、X1指令组成并联电路块A,然后将X2、X3组成串联电路块B,X4、X5组成串联电路块 C,再将两个串联电路块通过ORB指令进行块或操作形并联电路块1,之后再进行或操作后形成并联电路块2,在此基础上通过ANB指令进行块与操作最终形成串联电路块3。

图5 ORB、ANB指令组成的梯形图
对应语句指令程序为:
LD X0
OR X3 //组成并联电路块A
LD X1 //分支起点
AND X2 //组成串联电路块B
LDI X4 //分支起点
AND X5 //组成串联电路块C
ORB //将两个串联块进行块或操作,形成1
ORI X6 //形成并联电路块2
ANB //块与操作,形成3
OR X7
OUT Y0
1.指令作用
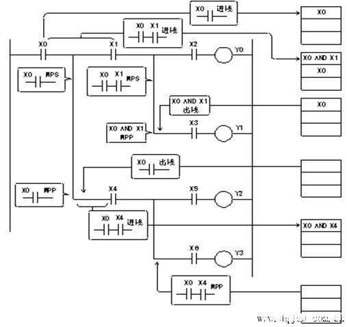
MPS、MRD、MPP这组指令是将连接点结果存入堆栈存储器,以方便连接点后面电路的编程。FX2N系列plc中有11个存储运算中间结果的堆栈。
堆栈采用先进后出的数据存储方式,见图6。MPS为进栈指令,其作用是将中间运算结果存入堆栈的第一个堆栈单元,同时使堆栈内各堆栈单元原有存储数据顺序下移一个堆栈单元。

图6 堆栈存储器数据存储方式
MRD为读栈指令,其作用是仅读出栈顶数据,而堆栈内数据维持原状。MRD指令可连续重复使用24次。
MPP为出栈指令,其作用是弹出堆栈中第一个堆栈单元的数据,此时该数据在堆栈中消失,同时堆栈内第二个堆栈单元至堆底的所有数据顺序上移一个单元,原第二个堆栈单元的数据进入栈顶。MPS和MPP指令必须成对使用,连续使用次数则应少于11次。
2.使用示例
图7是两层堆栈应用示例梯形图。首先用MPS将X0送进堆栈顶部的存储单元,然后再将XO与X1的结果用MPS送进堆栈顶部的存储单元,这样原先在堆栈顶部存储单元的数据XO将顺序进入堆栈顶部下一个存储单元中。
出栈时,先将处于堆栈顶部的数据即XO与X1相与的结果取出,随着堆栈顶部数据的取出,数据XO顺序到达堆栈顶部的存储单元,然后在下一次的出栈操作中,数据X0被取出堆栈顶部。
两层堆栈应用示例梯形图对应的语句指令程序为:
LD X0
MPS //将X0数据送进堆栈
AND X1

图7 两层堆栈应用程序示例
MPS //将X0 AND X1数据送进堆栈
AND X2
OUT Y0
MPP //将X0 AND X1数据取出堆栈
AND X3
OUT Y1
MPP //将X0数据取出堆栈
AND X4
MPS //将X0 AND X4数据送进堆栈
AND X5
OUT Y2
MPP //将X0 AND X4数据取出堆栈
AND X6
OUT Y3
1.指令作用
MC主控指令用于公共串联触点的连接。执行MC后,表示主控区开始,该指令操作元件为Y、M(不包括特殊辅助继电器)。
MCR主控复位指令用于公共触头串联的清除。执行MCR后,表示主控区结束,该指令的操作元件为主控指令的使用次数N0~N7。
2.使用示例

图8 由MC、MCR组成的梯形图
图8是由MC、MCR组成的梯形图。由于Y0、Y1线圈同时受一个触头X0控制,如果在第个线圈所在支路中均串联一个同样的触头,将占有较多存储单元。
使用主控指令MC后,可利用辅助继电器M100,将主左母线移到了常开触头M100后,形成新的左母线,该母线后之后的各支路中仍采用LD或LDI连接,其连接关系与M100和主左母线之间的连接关系相同,但节省了单元。当M100控制的各支路结束后,再用MCR指令撤消新的左母线。
梯形图对应语句指令程序为:
LD X0
MC N0 //主左母线移动到M100之后,建立新的左母线
M100
LD X1
OUT Y0
LD X2
OUT Y1
MCR N0 //撤消建立的新左母线
LD X5
OUT Y5
1.指令作用
SET置位指令功能是驱动线圈并使用线圈接通(即置1),并具有维持接通状态的自锁功能。
RST复位指令功能是断开线圈并复位,具有维护断开状态的自锁功能。此外数据寄存器(D)、变址寄存器(V或Z)、积算定时器T246~T255、计数器(C)的当前值清零及输出触头复位等均可使用RST。
2.使用示例
图9是SET与RST指令组成的梯形图,当X0接通时,Y0被置成ON状态,之后X0再断开,Y0状态仍然保持;而当X1接通时,Y0的状态复位为OFF,之后X1断开,Y0仍保持OFF状态。

图9 由SET、RST组成的梯形图
该梯形图对应的语句指令程序为:
LD X0
SET Y0
LD X1
RST Y0
1.指令作用
前沿脉冲PLS指令在输入信号上升沿产生一个扫描周期的脉冲输出;后沿脉冲PLF指令则在输入信号下降沿产生一个扫描周期的脉冲输出。PLS和PLF指令的驱动元件是Y与M,但不包括特殊辅助继电器。
2.使用示例
图10是由PLS、PLF组成的示例梯形图。当X0由OFF至ON的上升沿,辅助继电器M0接通,线圈Y0接通;而在X1由ON至OFF的下降沿,辅助继电器M1接通,线圈Y0置位为OFF。

图10 由PLS、PLF组成的梯形图
对应语句指令程序为:
LD X0
PLS M0 //在XO的上升沿置M0为ON
LD M0
SET Y0 //置Y0为ON
LD X1
PLF M1 //在X1的下降沿置M1为ON
LD M1
RST Y0 //将YO复位为OFF
1.指令作用
取反INV指令在梯形图中用一条45°短斜线表示,其作用是将之前的运算结果取反,该指令无操作元件;空操作NOP指令是一条无动作、无操作元件且占一个程序步的指令,程序中加入NOP指令主要为了预留编程过程中追加指令的程序步;结束END指令用于标记用户程序存储区最后一个存储单元,使END指令后的NOP指令不再运行并返回程序头,提高了PLC程序的执行效率。
2.使用示例
图11是由INV、END指令组成的示例梯形图。其中X0与X1的结果由INV指令取反,X2也取反,两者进行或块操作后再取反,最后输出至Y0。

图11 由INV、END指令组成的梯形图
其对应语句指令程序为:
LD X0
AND X1
INV //对X0 AND X1的操作结果取反
LD X2
INV //对X2取反
ORB //或块操作
INV //对或块操作结果取反
OUTO Y0
撰写LD、LDI、OUT;AND、ANI;OR、ORI;LDP、ORF、ANDP;ORB、ANB;MC、MCR;SET、RST等指令作用说明书。
全站搜索