2016-11-22 13:48:47 | 人围观 | 评论:
三菱FX系列plc中使用STL/RET指令程序的写法
最近用三菱的FX2N PLC,想用一下它的步进功能指令(STL/RET)来做顺序功能控制。编程手册中对这两个指令的说明比较详细。下图是三菱FX系列编程手册中对于STL/RET指令的例程序。
但是我按照手册中的例程序完整照抄写的梯形图程序编译的时候出错。像下面这张图
修改程序,将RET指令直接连到左母线,编译通过了。
但是模拟程序的时候出了问题,M8002并没有置位初始状态位S0。
又找了几个类似的程序,结果都一样,要么编译出错,要么执行结果不正确。搞了好长时间没有搞明白问题出在哪里。终于,翻出了GX-Developer v8操作手册,找到了问题的根源。

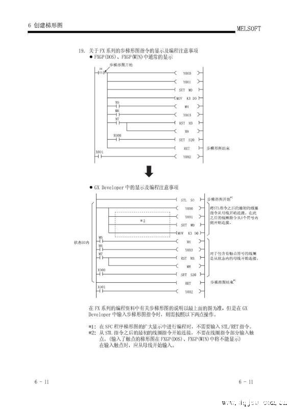
手册中说明了“19. 关于FX系列的步梯形图指令的显示及编程注意事项 ”,如下图
原来原来《编程手册》有关STL/RET指令的便例程序都是由FXGP(DOS)、FXGP(WIN)编写,使用GX-Developer及后来的GX-works编写梯形图程序时,STL及RET指令的书写规则并不像《编程手册》的例程序中那样。所以《编程手册》中的那个例程在GX-Developer或GX-works中编写时,梯形图程序应该是这样的:
程序模拟执行的结果:
想了两天,问题终于解决。
全站搜索