在由上位机或plc为主的工控系统中,尤其是在对各种机械设备的控制中,常常看到PLC、触摸屏、伺服电机驱动器、伺服电机或步进电机驱动器、步进电机的组合应用。对于伺服电机和步进电机,由于结构简单,原理上也不是太复杂,看到实物,再配合应用,就了解了。但对电机驱动器的结构和电路,限于各种条件,就难以知道其“本来面目”了。 由于工作关系,接手了一台需维修的步进电机驱动器,又由于维修的需要,测绘了步进电机的整机电路图,浏览之下,就知道步进电机驱动器是个怎么回事了。在此将整机全图奉献于大家。 整机全图共4张: 第一张图:步进电机驱动的主电路和开关电源电路。步进电机驱动器的功率输出电路的形式同变频器主电路是相似的。每一路皆由两只IGBT管子做推挽式输出,在管子上也反向并联了二极管,以提供反向电流的通路,进而保护IGBT管子的安全。IGBT管子的过流保护信号由AR1、BR1两只电阻上取得,此两只电阻将流经IGBT管子的电流信号转化为电压信号,经后级保护电路处理,送入单片机。开关电源输出的+5V,作为单片机的电源。另外,+5V、-5V还作为保护电路的双电路供电。一路+15V电源,经PIC和PT1转化为四路15V电源,供四路驱动电路用。
 第二张图:驱动电源及端子信号来源。由电源板来的+15V电源,经NE555时基电路振荡逆变,开关变压器PT1四个次级绕组输出四组互相隔离的15V直流电压,供驱动IC的供电;
 第三张图:步进电机驱动器的脉冲驱动电路及步时电机的工作电流设定电路等。驱动IC采用IS2110S专用的驱动芯片,单片机输出的四路脉冲信号经由74LS08四二输入与门电路处理后,送入四片IS2110S驱动电路,经光电隔离和功率放大后,送放逆变功率电路,输入步进脉冲到步时电机;
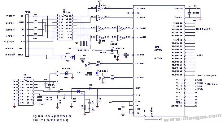
 第四张图:CPU(单片机)电路和控制端子内电路图。步进电机驱动器是由单片机生成四路脉冲信号,经后续电路驱动功率输出电路,进而驱动步进电机的。该图将单片机的O/I口都详细标出,便于进行分析原理和故障检测。控制端子,除步进脉冲和方向电平信号输入外,还提供步进驱动器的故障信号输出,用于故障状态的显示等。
 |