2016-11-25 17:22:36 | 人围观 | 评论:
单片机最小系统主要由电源、复位、振荡电路以及扩展部分等部分组成。最小系统原理图如图所示。

电源模块
对于一个完整的电子设计来讲,首要问题就是为整个系统提供电源供电模块,电源模块的稳定可靠是系统平稳运行的前提和基础。51单片机虽然使用时间最早、应用范围最广,但是在实际使用过程中,一个和典型的问题就是相比其他系列的单片机,51单片机更容易受到干扰而出现程序跑飞的现象,克服这种现象出现的一个重要手段就是为单片机系统配置一个稳定可靠的电源供电模块。

电源模块电路图
此最小系统中的电源供电模块的电源可以通过计算机的USB口供给,也可使用外部稳定的5V电源供电模块供给。电源电路中接入了电源指示LED,图中R11为LED的限流电阻。S1 为电源开关。
复位电路
单片机的置位和复位,都是为了把电路初始化到一个确定的状态,一般来说,单片机复位电路作用是把一个例如状态机初始化到空状态,而在单片机内部,复位的时候单片机是把一些寄存器以及存储设备装入厂商预设的一个值。

单片机复位电路原理是在单片机的复位引脚RST上外接电阻和电容,实现上电复位。当复位电平持续两个机器周期以上时复位有效。复位电平的持续时间必须大于单片机的两个机器周期。具体数值可以由RC电路计算出时间常数。
复位电路由按键复位和上电复位两部分组成。
(1)上电复位:STC89系列单片及为高电平复位,通常在复位引脚RST上连接一个电容到VCC,再连接一个电阻到GND,由此形成一个RC充放电回路保证单片机在上电时RST脚上有足够时间的高电平进行复位,随后回归到低电平进入正常工作状态,这个电阻和电容的典型值为10K和10uF。
(2)按键复位:按键复位就是在复位电容上并联一个开关,当开关按下时电容被放电、RST也被拉到高电平,而且由于电容的充电,会保持一段时间的高电平来使单片机复位。
振荡电路
单片机系统里都有晶振,在单片机系统里晶振作用非常大,全程叫晶体振荡器,他结合单片机内部电路产生单片机所需的时钟频率,单片机晶振提供的时钟频率越高,那么单片机运行速度就越快,单片接的一切指令的执行都是建立在单片机晶振提供的时钟频率。

在通常工作条件下,普通的晶振频率绝对精度可达百万分之五十。高级的精度更高。有些晶振还可以由外加电压在一定范围内调整频率,称为压控振荡器(VCO)。晶振用一种能把电能和机械能相互转化的晶体在共振的状态下工作,以提供稳定,精确的单频振荡。
单片机晶振的作用是为系统提供基本的时钟信号。通常一个系统共用一个晶振,便于各部分保持同步。有些通讯系统的基频和射频使用不同的晶振,而通过电子调整频率的方法保持同步。
晶振通常与锁相环电路配合使用,以提供系统所需的时钟频率。如果不同子系统需要不同频率的时钟信号,可以用与同一个晶振相连的不同锁相环来提供。
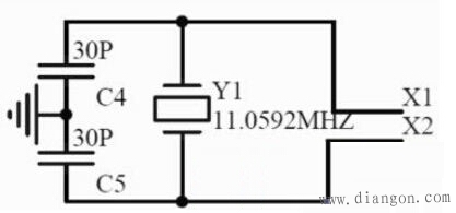
STC89C51使用11.0592MHz的晶体振荡器作为振荡源,由于单片机内部带有振荡电路,所以外部只要连接一个晶振和两个电容即可,电容容量一般在15pF至50pF之间。
全站搜索