2016-10-24 14:12:46 | 人围观 | 评论:
1 引言
随着电子设备的大量应用,电源在这些设备中的地位越来越重要,而开关变换器由于体积小、重量轻、效率高等特点,在电源中占的比重越来越大。开关电源大多工作在高频情况下,在开关器件的开关过程中,寄生元件(如寄生电容、寄生电感等)中能量的高频变化产生了大量的电磁干扰(Electromagnetic Interference,EMI)。
EMI信号占有很宽的频率范围,又有一定的幅度,经过在电路、空间中的传导和辐射,污染了周围的电磁环境,影响了与其它电子设备的电磁兼容(Electromagnetic Compatibility)性。随着近年来各国对电子设备的电磁干扰和电磁兼容性能要求的不断提高,对电磁干扰以及新的抑制方法的研究已成为开关电源研究中的热点。
本文对电磁干扰产生、传播的机理进行了简要的介绍,重点总结了几种近年来提出的抑制开关电源电磁干扰产生及传播的新方法。
开关电源的电磁干扰对电子设备的性能影响很大,因此,各种标准对抑制电源设备电磁干扰的要求已越来越高。对开关电源中电磁干扰的产生机理做了简要的描述,着重总结了几种近年提出的新的抑制电磁干扰的方法,并对其原理、应用做了简单介绍。
2 电磁干扰的产生和传播方式
开关电源中的电磁干扰分为传导干扰和辐射干扰两种。通常传导干扰比较好分析,可以将电路理论和数学知识结合起来,对电磁干扰中各种元器件的特性进行研究;但对辐射干扰而言,由于电路中存在不同干扰源的综合作用,又涉及到电磁场理论,分析起来比较困难。下面将对这两种干扰的机理作一简要的介绍。
2.1 传导干扰的产生和传播
传导干扰可分为共模(Common Mode-CM)干扰和差模(Differential Mode-DM)干扰。由于寄生参数的存在以及开关电源中开关器件的高频开通与关断,使得开关电源在其输入端(即交流电网侧)产生较大的共模干扰和差模干扰。
2.1.1 共模(CM)干扰
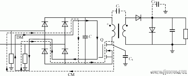
变换器工作在高频情况时,由于dv/dt很高,激发变压器线圈间、以及开关管与散热片间的寄生电容,从而产生了共模干扰。如图1所示,共模干扰电流从具有高dv/dt的开关管出发流经接地散热片和地线,再由高频LISN网络(由两个50Ω电阻等效)流回输入线路。

图1 典型开关变换器中共模、差模干扰的传播路径
根据共模干扰产生的原理,实际应用时常采用以下几种抑制方法:
1)优化电路器件布置,尽量减少寄生、耦合电容。
2)延缓开关的开通、关断时间。但是这与开关电源高频化的趋势不符。
3)应用缓冲电路,减缓dv/dt的变化率。
2.2.2 差模(DM)干扰
开关变换器中的电流在高频情况下作开关变化,从而在输入、输出的滤波电容上产生很高的di/dt,即在滤波电容的等效电感或阻抗上感应了干扰电压。这时就会产生差模干扰。故选用高质量的滤波电容(等效电感或阻抗很低)可以降低差模干扰。
2.2 辐射干扰的产生和传播
辐射干扰又可分为近场干扰〔测量点与场源距离<λ/6(λ为干扰电磁波波长)〕和远场干扰(测量点与场源距离>λ/6)。由麦克斯韦电磁场理论可知,导体中变化的电流会在其周围空间中产生变化的磁场,而变化的磁场又产生变化的电场,两者都遵循麦克斯韦方程式。而这一变化电流的幅值和频率决定了产生的电磁场的大小以及其作用范围。在辐射研究中天线是电磁辐射源,在开关电源电路中,主电路中的元器件、连线等都可认为是天线,可以应用电偶极子和磁偶极子理论来分析。分析时,二极管、开关管、电容等可看成电偶极子;电感线圈可以认为是磁偶极子,再以相关的电磁场理论进行综合分析就可以了。
图2是一个Boost电路的空间分布图,把元器件看成电偶极子或磁偶极子,应用相关电磁场理论进行分析,可以得出各元器件在空间的辐射电磁干扰,将这些干扰量迭加,就可以得到整个电路在空间产生的辐射干扰。关于电偶极子、磁偶极子,可参考相关的电磁场书籍,此处不再论述。

图2 Bosst电路在三维空间的分布
需要注意的是,不同支路的电流相位不一定相同,在磁场计算时这一点尤其重要。相位不同一是因为干扰从干扰源传播到测量点存在时延作用(也称迟滞效应);再一个原因是元器件本身的特性导致相位不同。如电感中电流相位比其它元器件要滞后。迟滞效应引起的相位滞后是信号频率作用的结果,仅在频率很高时作用才较明显(如GHz级或更高);对于功率电子器件而言,频率相对较低,故迟滞效应作用不是很大。
3 几种新的电磁干扰抑制方法
在开关电源产生的两类干扰中,传导干扰由于经电网传播,会对其它电子设备产生严重的干扰,往往引起更严重的问题。常用的抑制方法有:缓冲器法,减少耦合路径法,减少寄生元件法等。近年来,随着对电子设备电磁干扰的限制越来越严格,又出现了一些新的抑制方法,主要集中在新的控制方法与新的无源缓冲电路的设计等几个方面。下面分别予以介绍。
3.1 新的控制方法―调制频率控制
干扰是根据开关频率变化的,干扰的能量集中在这些离散的开关频率点上,所以很难满足抑制EMI的要求。通过将开关信号的能量调制分布在一个很宽的频带上,产生一系列的分立边频带,则干扰频谱可以展开,干扰能量被分成小份分布在这些分立频段上,从而更容易达到EMI的标准。调制频率(Modulated Frequency)控制就是根据这种原理实现对开关电源电磁干扰的抑制。(信息来源www.dqjsw.com.cn电气自动化技术网)
最初人们采用随机频率(Randomized Frequency)控制,其主要思想是,在控制电路中加入一个随机扰动分量,使开关间隔进行不规则变化,则开关噪声频谱由原来离散的尖峰脉冲噪声变成连续分布噪声,其峰值大大下降 。具体办法是, 由脉冲发生器产生两种不同占空比的脉冲,再与电压误差放大器产生的误差信号进行采样选择产生最终的控制信号 。其具体的控制波形如 图3(a)所 示 。

(a) 随机频率控制原理波形图

(b) 调制频率控制原理波形图
图3 两种不同的频率调制波形
但是,随机频率控制在开通时基本上采用PWM控制的方法,在关断时才采用随机频率,因而其调制干扰能量的效果不是很好,抑制干扰的效果不是很理想。而最新出现的调制频率控制则很好地解决了这些问题。其原理是,将主开关频率进行调制,在主频带周围产生一系列的边频带,从而将噪声能量分布在很宽的频带上,降低了干扰。这种控制方法的关键是对频率进行调制,使开关能量分布在边频带的范围,且幅值受调制系数β的影响(调制系数β=Δf/fm,Δf为相邻边频带间隔,fm为调制频率),一般β越大调制效果越好[2][3],其控制波形如图3(b)所示。
图4即为一个根据调制频率原理设计的控制电路。各种控制方法可以在不影响变换器工作特性的情况下,很好地抑制开通、关断时的干扰。

图4 一个典型的调制频率控制电路
3.2 新的无源缓冲电路设计
开关变换器中电磁干扰是在开关管开关时刻产生的。以整流二极管为例,在开通时,其导通电流不仅引起大量的开通损耗,还产生很大的di/dt,导致电磁干扰;而在关断时,其两端的电压快速升高,有很大的dv/dt,从而产生电磁干扰。缓冲电路不仅可以抑制开通时的di/dt、限制关断时的dv/dt,还具有电路简单、成本较低的特点,因而得到了广泛应用。但是传统的缓冲电路中往往采用有源辅助开关,电路复杂不易控制,并有可能导致更高的电压或电流应力,降低了可靠性。因此许多新的无源缓冲器应运而生,以下分别予以总结介绍。
3.2.1 二极管反向恢复电流抑制电路
对于图5(a)的Boost电路,Q1开通后,D1将关断。但由于此前D1上的电流为工作电流,要降为零,其dv/dt将很高。D1的关断只能靠反向恢复电流尖峰,而现有的抑制二极管反向恢复电流的方法大多只适用于特定的变换器电路,而且只对应某一种的输入输出模式,适用性很差。国外有人提出了图5(b)的电路[6],可以较好地解决这一缺陷。
图5(b)的关键在于把一个辅助二极管(D2)、一个小的辅助电感(L2)与主功率电感(L1)的部分线圈串联,然后与主二极管(D1)并联。其工作原理是,在Q1开通时,利用辅助电感及辅助二极管构成的辅助电路进行分流,使主二极管D1上的电流降为零,并维持到Q1关断。由于电感L2的作用,辅助二极管D2上的反向恢复电流是很小的,可以忽略。

(a) Boost电路

(b) 二极管反向恢复电路
图5 Boost电路及其二极管反向恢复电路
这种方法除了可用于一般的变换器电路,以限制主二极管的反向恢复电流,还可以用在输入输出整流二极管的恢复电流抑制上。图6是这种应用的举例。这种技术应用在一般的电源电路里,都可以获得有效抑制反向恢复尖峰电流、降低EMI、减少损耗提高效率的效果。

(a) 输入整流电路

(b) 输出整流电路
图6 输入输出整流二极管反向恢复电流抑制电路
3.2.2 无损缓冲电路
在变换器电路中,主二极管反向恢复时,会对开关管造成很大的电流、电压应力,引起很大的功耗,极易造成器件的损坏。为了抑制这种反向恢复电流,减少损耗,而提出了一种无损缓冲电路[5],如图7所示。

图7 无损缓冲电路
其主要工作原理是,主开关Q开通时的di/dt应力、关断时的dv/dt应力分别受L1、C1所限制,利用L1、C1、C2之间相互的谐振及能量转换,实现对主二极管D反向恢复电流的抑制,使开关损耗、EMI大大减少。不仅如此,由于开通时C1上的能量转移到C2,关断时C2和L1上的能量转移到负载,这种缓冲电路的损耗很低,效率很高。
3.2.3 无源补偿技术
传统的共模干扰抑制电路如图8所示。为了使通过滤波电容Cy流入地的漏电流维持在安全范围,Cy的值都较小,相应的扼流线圈LCM就变大,特别是由于LCM要传输全部的功率,其损耗、体积和重量都会变大。应用无源补偿技术,则可以在不影响主电路工作的情况下,较好地抑制电路的共模干扰,并可减少LCM、节省成本。

图8 共模干扰滤波器
由于共模干扰是由开关器件的寄生电容在高频时的dv/dt产生的,因此,用一个额外的变压器绕组在补偿电容上产生一个180°的反向电压,产生的补偿电流再与寄生电容上的干扰电流迭加,从而消除干扰。这就是无源补偿的原理。
图9(a)为加入补偿电路的隔离式半桥电路。由于半桥、全桥电路常用于大功率场合,滤波电感LCM较大,所以补偿的效果会更明显。该电路在变压器上加了一个补偿线圈Nc,匝数与原边绕组一样;补偿电容CCOMP的大小则与寄生电容CPARA一样。这样一来,工作时的Nc使CCOMP产生一个与CPARA上干扰电流大小相同、方向相反的补偿电流,迭加后消除了干扰电流。补偿线圈不流过全部的功率,仅传输干扰电流,补偿电路十分简单。
同样,对于图9(b)中的正激式电路,利用其自身的磁复位线圈,可以更加方便地实现补偿。无源补偿技术还可以应用于非隔离式的变换器电路中,如图10所示,原理是一样的。

(b) 带补偿电路的正激电路

(a) 带补偿电路的隔离式半桥电路
图9 两种无源补偿电路

(a) Boost电路

(b) Buck电路
图10 带补偿电路的非隔离式Boost、Buck电路
需要注意的是,无源补偿技术有一定的应用条件,它受开关电流、电压的上升、下降时间,以及变压器结构等因素的影响,特别当变压器的线间耦合电容远大于寄生电容时,干扰电流不经补偿线圈而直接进入大地,此时抑制效果就不很理想。
4 结语
产生噪声的来源很多,如外来干扰、机械振动、电路设计不当、元器件选择不当以及结构布局或布线不合理等。在开关变换器中,功率三极管和二极管在开-关过程中所产生的射频能量是干扰的主要来源之一。由于频率较高,或以电磁能的形式直接向空间辐射(辐射干扰),或以干扰电流的形式沿着输入、输出导线传送(传导干扰),其中后者的危害更为严重。
开关电源技术是一项综合性技术,可以利用先进的半导体电路设计技术、磁性材料、电感元件技术以及开关器件技术等来有效地减少和抑制EMI。目前,开关电源已日益广泛地应用到各种控制设备、通信设备以及家用电器中,其电磁干扰问题、及与其它电子设备的电磁兼容问题已日益成为人们关注的热点,未来电磁干扰及其相关问题必将得到更多的研究。
全站搜索