2016-10-30 15:09:10 | 人围观 | 评论:
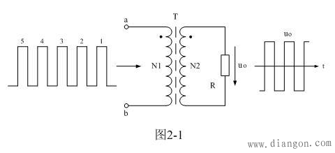
为了简单起见,我们把单激式变压器开关电源等效成如图2-1所示电路,其中我们把直流输入电压通过控制开关通、断的作用,看成是一序列直流脉冲电压,即单极性脉冲电压,直接给开关变压器供电。这里我们特别把变压器称为开关变压器,以表示图2-1所示电路与一般电源变压器电路在工作原理方面还有区别的。
在一般的电源变压器电路中,当电源变压器两端的输入电压为0时,表示输入端是短路的,因为电源内阻可以看作为0;而在开关变压器电路中,当开关变压器两端的输入电压为0时,表示输入端是开路的,因为电源内阻可以看作为无限大。

在图2-1中,当一组序列号为1、2、3、…的直流脉冲电压分别加到开关变压器初级线圈a、b两端时,在开关变压器的初级线圈中就会有励磁电流流过,同时,在开关变压器的铁芯中就会产生磁场,在磁场强度为H的磁场作用下又会产生磁通密度为B的磁力线通量,简称磁通,用“Φ ”表示。
在变压器铁芯中,磁通密度B或磁通Φ 受磁场强度H的作用而发生变化的过程,称为磁化过程;因此,用来描述磁通密度B与磁场强度H之间对应变化的关系曲线,人们都把它称为磁化曲线。图2-2是单激式开关变压器铁芯被磁化时,磁通密度B与磁场强度H之间对应变化的关系曲线图。

顺便指出,在分析变压器铁芯的磁化过程中,经常使用磁通密度和磁感应强度这两个名称,这两个名称在本质上没区别,互相可以通用,不同场合使用不同名称,只是为了使用方便。
如果开关变压器的铁芯在这之前从来没有被任何磁场磁化过,并且开关变压器的伏秒容量足够大,那么,当第一个直流脉冲电压加到变压器初级线圈a、b两端时,在变压器初级线圈中将有励磁电流流过,并在变压器铁芯中产生磁场。
在磁场强度H的作用下,变压器铁芯中的磁感应强度B将会按图2-2中0-1磁化曲线上升;当第一个直流脉冲电压将要结束时,磁场强度达到第一个最大值Hm1,同时磁感应强度将会被磁场强度磁化到第一个最大值Bm1 ;由此产生一个磁感应强度增量ΔB,ΔB = Bm1- 0 。磁感应强度增加,表示流过变压器初级线圈中的励磁电流产生的磁场在对变压器铁芯进行充磁。
当序列脉冲电压加到开关变压器初级线圈a、b两端时,在变压器铁芯中会产生的磁场,这磁场完全是由流过变压器初级线圈的励磁电流产生的,流过变压器初级线圈的励磁电流为:

(2-8)式中, iμ为流过变压器初级线圈的励磁电流,E为加到变压器初级线圈两端的电压,L1为变压器初级线圈的电感量,t为时间, iμ(0)为初始电流,即t = 0时流过变压器初级线圈的励磁电流。
如果脉冲序列的占空系数(占空比)满足磁化电流在后一个脉冲进入前下降为零,即开关电源工作于电流临界连续或不连续状态。
当第一个直流脉冲结束以后,由于开关变压器初级线圈开路,虽然流过变压器初级线圈中的励磁电流下降到零,但磁场强度H不会马上下降到零;此时,变压器的初、次级线圈会同时产生反电动势,由于反电动势的作用,在变压器的初、次级线圈回路中都会有电流流过,这种回路电流属于感应电流,或称感生电流。
当第一个直流脉冲结束时,如果开关变压器初级线圈不开路,反电动势会对输入电压进行反充电;如果开关变压器初级线圈是开路的,反电动势会对初级线圈中的分布电容进行充放电,从而会在初级线圈内部产生高频振荡。
由反电动势产生的感应电流会在变压器铁芯中产生反向磁场,使变压器铁芯退磁,磁场强度H开始由第一最大值Hm1逐步下降到0;但变压器铁芯中的磁通密度B并不是按充磁时的0-1磁化曲线原路返回,跟随磁场强度下降到零,而是按另一条新的磁化曲线1-2返回到2点;即:第一个剩余磁通密度Br1处。因此,人们都习惯地把磁通密度位于2点的值,称为剩余磁通密度,或简称“剩磁”。变压器铁芯有剩磁说明变压器铁芯有记忆特性,这是铁磁材料的基本特性。
全站搜索