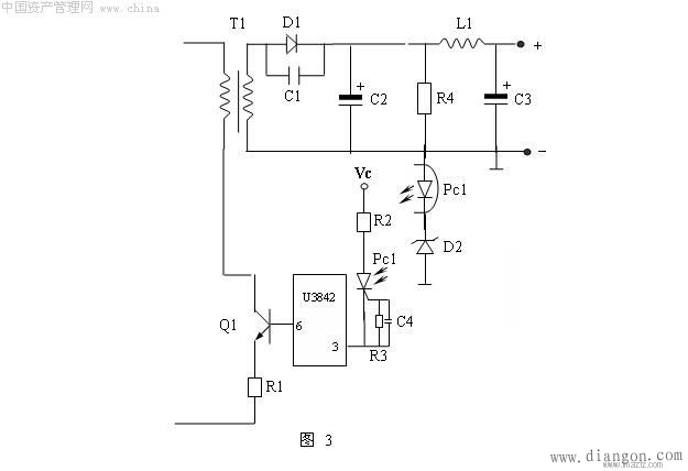
| 一.开关电源的工作原理 开关电源就是采用功率半导体器件作为开关元件,通过周期性通断开关,控制开关元件的占空比来调整输出电压。开关元件以一定的时间间隔重复地接通和断开,在开关无件接通时输入电源Vi通过开关S和滤波电路向负载RL提供能量,当开关S断开时,电路中的储能装置(L1、C2、二极管D组成的电路)向负载RL释放在开关接通时所储存的能量,使负载得到连续而稳定的能量。 开关电源原理图 VO=TON/T*ViVO 为负载两端的电压平均值TON 为开关每次接通的时间T 为开关通断的工作周期由式可知,改变开关接通时间和工作周期的比例,VO间电压平均值也随之改变,因此,随着负载及输入电源电压的变化自动调整TON和T的比例便使输出电压VO维持不变。改变接通时间TON和工作周期比例亦即改变脉冲的占空比,这种方法称为“时间比率控制”(TimeRationControl,缩写为TRC)。按TRC控制原理,有三种方式: 1. 脉冲宽度调制(PulseWithModulation,缩写为PWM)开关周期恒定,通过改变脉冲宽度来改变占空比的方式。 2. 脉冲频率调制(PulseFrequencyModulation,缩写为PFM)导通脉冲宽度恒定,通过改变开关工作频率来改变占空比的方式。 3. 混合调制导通脉冲宽度和开关工作频率均不固定,彼此都能改变的方式,它是以上二种方式的混合。 二.开关电源的维修技巧和常见故障 1.维修技巧 开关电源的维修可分为两步进行:断电情况下,“看、闻、问、量” 看:打开电源的外壳,检查保险丝是否熔断,再观察电源的内部情况,如果发现电源的PCB板上有烧焦处或元件破裂,则应重点检查此处元件及相关电路元件。 闻:闻一下电源内部是否有糊味,检查是否有烧焦的元器件。 问:问一下电源损坏的经过,是否对电源进行违规操作。 量:没通电前,用万用表量一下高压电容两端的电压先。如果是开关电源不起振或开关管开路引起的故障,则大多数情况下,高压滤波电容两端的电压未泄放悼,此电压有300多伏,需小心。用万用表测量AC电源线两端的正反向电阻及电容器充电情况,电阻值不应过低,否则电源内部可能存在短路。电容器应能充放电。脱开负载,分别测量各组输出端的对地电阻,正常时,表针应有电容器充放电摆动,最后指示的应为该路的泄放电阻的阻值。加电检测通电后观察电源是否有烧保险及个别元件冒烟等现象,若有要及时切断供电进行检修。(http://www.diangon.com/版权所有)测量高压滤波电容两端有无300伏输出,若无应重点查整流二极管、滤波电容等。测量高频变压器次级线圈有无输出,若无应重点查开关管是否损坏,是否起振,保护电路是否动作等,若有则应重点检查各输出侧的整流二极管、滤波电容、三通稳压管等。如果电源启动一下就停止,则该电源处于保护状态下,可直接测量PWM芯片保护输入脚的电压,如果电压超出规定值,则说明电源处于保护状态下,应重点检查产生保护的原因。 2.常见故障 保险丝熔断一般情况下,保险丝熔断说明电源的内部线路有问题。由于电源工作在高电压、大电流的状态下,电网电压的波动、浪涌都会引起电源内电流瞬间增大而使保险丝熔断。重点应检查电源输入端的整流二极管,高压滤波电解电容,逆变功率开关管等,检查一下这此元器件有无击穿、开路、损坏等。如果确实是保险丝熔断,应该首先查看电路板上的各个元件,看这些元件的外表有没有被烧糊,有没有电解液溢出,如果没有发现上述情况,则用万用表测量开关管有无击穿短路。需要特别注意的是:切不可在查出某元件损坏时,更换后直接开机,这样很有可能由于其它高压元件仍有故障又将更换的元件损坏,一定要对上述电路的所有高压元件进行全面检查测量后,才能彻底排除保险丝熔断的故障。无直流电压输出或电压输出不稳定如果保险丝是完好的,在有负载情况下,各级直流电压无输出。这种情况主要是以下原因造成的:电源中出现开路、短路现象,过压、过流保护电路出现故障,辅助电源故障,振荡电路没有工作,电源负载过重,高频整流滤波电路中整流二极管被击穿,滤波电容漏电等。  在用万用表测量次级元件,排除了高频整流二极管击穿、负载短路的情况后,如果这时输出为零,则可以肯定是电源的控制电路出了故障。若有部分电压输出说明前级电路工作正常,故障出在高频整流滤波电路中。高频滤波电路主要由整流二极管及低压滤波电容组成直流电压输出,其中整流二极管击穿会使该电路无电压输出,滤波电容漏电会造成输出电压不稳等故障。用万用表静态测量对应元件即可检查出其损坏的元件。例:某一24伏直流电机供电电源通电后无直流24伏输出 ,拆开电源外壳,观察保险丝未烧断且电路板无明显的烧焦处或破裂元件,在未通电情况下量AC输入端阻值和DC输出端阻值正常,量开关管、整流桥、整流管等重要元件正常,故判断不存在内部严重短路的可能,估计保护电路动作。经检查此开关电源采用U3842 PWM控制芯片,经查找相关的资料得知,当U3842芯片的3端电压高于1伏时,内部电流敏感比较器输出高电平,将PWM锁存器复位使输出关闭。通电测量U3842的3端高于1伏,6端无输出,经检查相关电路,发现稳压管D2击穿,如图3,故PC1导通,致使U3842的3端为高电平,故6端无输出,开关管不工作,直流侧无直流输出。更换同型号稳压管D2,故障解除。电源负载能力差电源负载能力差是一个常见的故障,一般都是出现在老式或工作时间长的电源中,主要原因是各元器件老化,开关管的工作不稳定,没有及时进行散热等。应重点检查稳压二极管是否发热漏电,整流二极管损坏、高压滤波电容损坏等。 
例:我厂近红处激光光谱仪(VECTOR 22),开机后无法完成自检并报警且主板指示灯不断闪烁。经检查,供光谱仪主板的直流5V电源仅剩2.3伏左右,脱开5V直流电源的负载,通电再次测量5V直流电源,这时则有5V,初步判断此5V直流电源带载能力差,拆开电源外壳进行检修,由于没有带负载时,通电有直流5V输出,故重点检查次级线圈侧的输出整流电路,给5伏电源接上假负载通电进行测量发现三通稳压7805的1、2脚之间电压为5.2伏,2、3脚之间却剩2.3伏,如图4,故判断三通稳压管7805性能变坏,更换三通稳压管7805故障解决。 三、开关电源维修具体方法 1、开关电源维修的时候,我们首先需要利用万用表检测一下各功率器件是否存在击穿短路,例如电源整流桥堆、开关管、高频大功率整流管、抑制浪涌电流的大功率电阻是否烧断等,然后需要再检测各输出电压端口电阻是否异常,如上述器件有损坏的情况我们则需要进行更换新的器件。 2、我们在完成上述检测之后,接通电源后如还不能正常工作,接着我们就要检测功率因数模块(PFC)和脉宽调制组件(PWM),查阅相关资料,熟悉PFC和PWM模块每个脚的功能及其模块正常工作的必备条件。 3、对于具有PFC电路的电源则需测量滤波电容两端电压是否为380VDC左右,如有380VDC左右电压,说明PFC模块工作正常,接着检测PWM组件的工作状态,测量其电源输入端VC,参考电压输出端VR,启动控制Vstart/Vcontrol端电压是否正常,利用220VAC/220VAC隔离变压器给开关电源供电,用示波器观测PWM模块CT端对地的波形是否为线性良好的锯齿波或三角形,如TL494 CT端为锯齿波,FA5310其CT端为三角波。输出端V0的波形是否为有序的窄脉冲信号。 4、在开关电源维修实践中,有许多开关电源采用UC38××系列8脚PWM组件,大多数电源不能工作都是因为电源启动电阻损坏,或芯片性能下降。当R断路后无VC,PWM组件无法工作,需更换与原来功率阻值相同的电阻。当PWM组件启动电流增加后,可减小R值到PWM组件能正常工作为止。在修一台GE DR电源时,PWM模块为UC3843,检测未发现其他异常,在R(220K)上并接一个220K的电阻后,PWM组件工作,输出电压均正常。有时候由于外围电路故障,致使VR端5V电压为0V,PWM组件也不工作,在修柯达8900相机电源时,遇到此情况,把与VR端相连的外电路断开,VR从0V变为5V,PWM组件正常工作,输出电压均正常。 5、当滤波电容上无380VDC左右电压时,说明PFC电路没有正常工作,PFC模块关键检测脚为电源输入脚VC,启动脚Vstart/control,CT和RT脚及V0脚。修理一台富士3000相机时,测试一板上滤波电容上无380VDC电压。VC,Vstart/control,CT和RT波形以及V0波形均正常,测量场效应功率开关管G极无V0波形,由于FA5331(PFC)为贴片元件,机器用久后出现V0端与板之间虚焊,V0信号没有送到场效应管G极。将V0端与板上焊点焊好,用万用表测量滤波电容有380VDC电压。当Vstart/control端为低电平时,PFC亦不能工作,则要检测其端点与外围相连的有关电路。 总之,开关电源电路有易有难,功率有大有小,输出电压多种多样。只要抓住其核心的东西,即充分熟悉开关电源的基本结构以及PFC及PWM模块的特性,它们工作的基本条件,按照上述步骤和方法,多动手进行开关电源的维修,就能迅速地排除开关电源故障,达到事半功倍的效果。 四、开关电源维修经验之谈 1、开关电源出现不启振的时候,我们通常需要查看开关频率是否正确、保护电路是否封锁、电压反馈电路、电流反馈电路又没问题,开关管是否击穿等。 2、开关电源变压器发热或发出“ ”声,一般是开关频率不对。 3、开关电源输出电压电源指示灯一闪一闪的一般是副边有短路的。(仅供参考) |