你的位置: 首页 > 家电弱电 > 电源

开关电源电路图讲解

2016-12-17 17:53:00 | 人围观 | 评论:

人们在开关电源技术领域是边开发相关电力电子器件,边开发开关变频技术,两者相互促进推动着开关电源每年以超过两位数字的增长率向着轻、小、薄、低噪声、高可靠、抗干扰的方向发展。这些优势在家用电器中尤其明显,催生了不少动手达人改造为开关电源的想法,首要任务,还是要从看懂开关电源电路图开始。

家用开关电源电路图2

开关电源的电路组成

开关电源的主要电路是由输入电磁干扰滤波器(EMI)、整流滤波电路、功率变换电路、PWM控制器电路、输出整流滤波电路组成。辅助电路有输入过欠压保护电路、输出过欠压保护电路、输出过流保护电路、输出短路保护电路等。

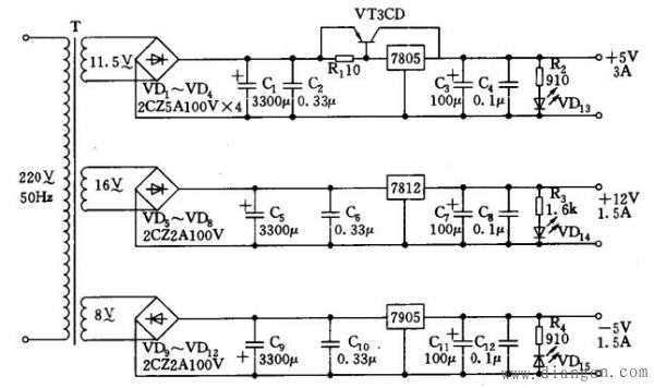
家用开关电源电路图3

开关电源电路图详解

一、主电路

从交流电网输入、直流输出的全过程,包括:

1、输入滤波器:其作用是将电网存在的杂波过滤,同时也阻碍本机产生的杂波反馈到公共电网。

2、整流与滤波:将电网交流电源直接整流为较平滑的直流电,以供下一级变换。

家用开关电源电路图4

开关电源电路图详解

3、逆变:将整流后的直流电变为高频交流电,这是高频开关电源的核心部分,频率越高,体积、重量与输出功率之比越小。

4、输出整流与滤波:根据负载需要,提供稳定可靠的直流电源。

家用开关电源电路图5

开关电源电路图详解

二、控制电路

一方面从输出端取样,经与设定标准进行比较,然后去控制逆变器,改变其频率或脉宽,达到输出稳定,另一方面,根据测试电路提供的资料,经保护电路鉴别,提供控制电路对整机进行各种保护措施。

家用开关电源电路图6

开关电源电路图详解

三、检测电路

除了提供保护电路中正在运行中各种参数外,还提供各种显示仪表资料。

四、辅助电源

提供所有单一电路的不同要求电源。

家用开关电源电路图7

开关控制稳压原理

开关K以一定的时间间隔重复地接通和断开,在开关K接通时,输入电源E通过开关K和滤波电路提供给负载RL,在整个开关接通期间,电源E向负载提供能量;当开关K断开时,输入电源E便中断了能量的提供。可见,输入电源向负载提供能量是断续的,为使负载能得到连续的能量提供,开关稳压电源必须要有一套储能装置,在开关接通时将一部份能量储存起来,在开关断开时,向负载释放。

家用开关电源电路图8

开关电源电路图依据不相同的用处有不相同的电路设计办法,就算相同的用处也能够进行多样化的摆放,但是开关电源的工作原理和最主要的电路组成是不会变的,依据这两点,再去分析特定的开关电源电路图就简单多了。





标签: