前面已介绍过低频小信号模型,在低频条件下,是不计晶体三极管和场效应管的结电容的。而在高频条件下,必须考虑器件内部的结电容效应,所以,高频小信号模型将从器件内部的结构着手分析。最终得出简化的高频小信号模型:

二、场效应管的高频小信号模型
高频等效模型和简化模型:

其中
。
三、放大电路的频率特性分析

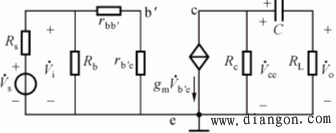
分析所用的手段是:将频率分成三个频段进行分析―即低频段、中频段和高频段。如右图的单管放大电路,C是耦合电容器,容量较大,通常为:10~100uf。
晶体管用简化高频小信号模型代入后画出共射放大电路全频段等效电路如图,等效结电容Ci 通常为10~100pF。

1. 中频段:耦合电容C容量大容抗很小,在中频段时当短路;Ci 容量小容抗很大,中频段时交流开路。

2. 低频段:频率降低C容抗增大,不能忽略;频率降低Ci 容抗更大,交流开路。

3. 高频段:频率升高C容抗更小,可完全当作短路;频率升高Ci 容抗增大,已不能忽略。

中频段电压放大倍数:
。与以前所求的低频(音频范围)电压放大倍数是一致的。说明以前讨论的是指中频范围。
低频段电压放大倍数:
,
。
令:
,则
。
高频段电压放大倍数:
。令:
,共射放大电路在高频段的电压增益复数表达式如下:
。
共射放大电路的全频段电压放大倍数表达式:
。在中频段,因 fH >>f >>fL,上式近似为 :
。在高频段,因 f>>fL,上式近似为 :
。在低频段,因 f<<fH,上式近似为 :
。
多级放大电路电压放大倍数的频率响应表达式:多级放大器由许多单级放大器组成,而每级又有一上限截止(转折)频率fH和一个下限截止(转折)频率fL,所以有如下的多级放大器的频响总表达式,
。低频转折频率和高频转折频率的个数由放大电路中的电容个数所决定,其数值则与电容所在回路的时间常数相关。
四、频率响应的BODE图表示
波特图(Bode Map)的画法:横坐标采用对数频率刻度表示,纵坐标用对数(分贝)表示幅频特性的增益幅度,相频特性曲线的纵坐标表示放大器输出和输入之间的相位角j。
波特图表示的优点:
1) 把很宽的频率变化范围压缩在较窄的对数频率坐标以内。
2) 增益的乘、除运算变成了坐标的加、减运算。
3) 近似用渐近折线绘制代替了十分麻烦的频率特性曲线。
1. 低频段波特图的绘制
频率特性复数表达式:
,幅频特性表达式:
对数幅频特性表达式:
,相频表达式:![]()
对数幅频特性可取以下三点来画出,其幅频特性如下:
;
;![]()
其相频特性如下:![]()
;
;![]()

2. 高频段波特图的绘制
频率特性复数表达式:
,幅频特性表达式:
对数幅频特性表达式:
,相频表达式:![]()

全站搜索