2016-12-17 15:58:52 | 人围观 | 评论:
① 求静态工作点,根据Q点计算小信号模型参数,如rbe;
② 确定交流通路;
③ 画出微变等效电路;
④ 计算动态性能指标(如Av、Ri、Ro)。
1.共射放大电路的动态分析

① 求电压放大倍数:![]()
②计算输入电阻:输入电阻是放大器输入端看进去的等效电阻。
③ 计算输出电阻:当信号源短路,负载开路,并从负载两端看进去的等效电阻。由于信号源短路后,基极电流为零,所以受控源开路,故有:
。通常在实际测量中,是当信号源短路,负载开路后,在负载开路二端加上一个等效电压源,然后产生多大电流来计量的。
2.共集放大电路的动态分析

① 求电压放大倍数:

② 输入电阻计算:


③ 计算输出电阻:


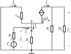
3.共基放大电路的动态分析

① 求电压放大倍数:
![]()
② 计算输入电阻:
![]()
③ 计算输出电阻:
。
4.FET放大电路的动态分析
以共源(CS)放大电路为例:

,![]()

共漏(CD)放大电路低频小信号微变等效电路:

共栅(CG)放大电路低频小信号微变等效电路:

全站搜索