1.三端固定式集成稳压器
如果将前述的串联型稳压电源电路全部集成在一块硅片上,加以封装后引出三端引脚,就成了三端集成稳压电源了。
正电压输出的78××系列,负电压输出的79××系列。其中××表示固定电压输出的数值。如:7805、7806、7809、7812、7815、7818、7824等,指输出电压是+5V、+6V、+9V、+12V、+15V、+18V、+24V。79××系列也与之对应,只不过是负电压输出。这类稳压器的最大输出电流为1.5A,塑料封装(TO-220)最大功耗为10W(加散热器);金属壳封装(TO-3)外形,最大功耗为20W(加散热器)。
2. 78系列三端集成稳压器内部电路框图

3. 三端集成稳压器的典型应用
⑴固定输出连接

在使用时必须注意:(VI)和(Vo)之间的关系,以W7805为例,该三端稳压器的固定输出电压是5V,而输入电压至少大于8V,这样输入/输出之间有3V的压差。使调整管保证工作在放大区。但压差取得大时,又会增加集成块的功耗,所以,两者应兼顾,即既保证在最大负载电流时调整管不进入饱和,又不致于功耗偏大。
⑵固定双组输出连接

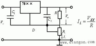
⑶扩大输出电流连接

二极管D以低消T管VBE压降而设置,扩大的输出电流为:
,原输出电流是Io,现可以近似扩大β倍。
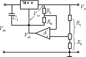
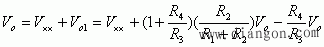
⑷扩大输出电压范围

,所以 :![]()
⑸连接成恒流源电路

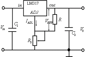
⑹三端可调式集成稳压电路
其型号有正输出三端可调式、负输出三端可调式两种。如LM317型是正电压输出型,LM337是负电压输出可调式。其输出电压可在1.25~40V之间调节。

![]()
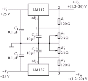
其中,VREF=1.25V,而Iadj很小,通常略去,所以,由公式可得,只要调节R2就能在一定范围调节输出电压的大小。具有正负输出的实际应用电路如下图所示。

全站搜索