2017-03-03 14:57:38 | 人围观 | 评论:
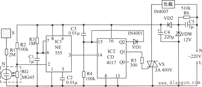
大多数触摸控制电路都是利用人体上的感应信号使电路发生“动作”的。如果用手指捏住示波器的输入端子,观察示波器上的波形,就会发现,人体上的感应信号,实际上就是50Hz的工频信号。采用这种控制电路很容易受外部干扰而产生误动作。如图所示为光电耦合器组成的触摸开关电路,它可以有效避免因干扰而产生的误动作。
工作原理:电容C5、稳压管VDW、二极管VD2、电容C4和电阻R6等组成的电路为控制部分提供约12V的直流工作电压。当手触摸金属片S时,氖管N被点燃发光,由于N和光敏电阻RG组成光电耦合器,故这时RG的阻值变得很小,使集成电路NE555的2脚上的电位下降到低于电源电压的1/3,由于NE555被接成了单稳态触发器,所以NE555的3脚给出一个正脉冲,加到了集成电路CD4017的计数触发端14脚,使CD4017计数一次。另外,该电路在接通电源时,由于电容C3和电阻R4的微分作用,给CD4017的复位清零端加上一个正的触发脉冲,使CD4017处于被清零的状态,即它的10个输出端中,除了Q0为高电平外,其余的9个输出端(Q1~Q9)都是低电平,所以经过这一次计数之后,Q1变成高电平,通过电阻R5给双向晶闸管VS的控制端注入触发电流,使VS进入导通状态,于是负载得电开始工作。被接成了单稳态触发器的NE555,在其3脚输出一个正脉冲之后,由于C1通过NE555的7脚放电,使其6脚上的电位又恢复到了零电位,另外,触摸S的手指离开S之后,NE555的2脚上的电位重新恢复到电源电压的1/3以上,这就为下一次触摸作好了准备。在负载处于工作状态时,如果再触摸金属片S一下,NE555也同样会给CD4017送去一个计数触发脉冲,使CD4017进行一次计数,这次计数将使Q1变成零电位,从而使VS截止,负载失电而停止工作,与此同时,Q2端变成高电位,这个高电位,又经过二极管VD1加到了CD4017的15脚上,使CD4017复位清零,从而为下一次触摸开机(接通负载)做好了准备。以NE555为核心构成的单稳态触发器的作用是避免触摸抖动造成CD4017的重复计数,即保证S被触摸一次,CD4017只计数一次,从而保证了操作结果不致出现错误。
元器件选择:IC1选择NE555时基电路;IC2选择CD4017。氖管N选择普通氖管,光敏电阻RG选择MG45型号。其他元器件选择如图所示。

全站搜索