你的位置: 首页 > 电工知识 > 电动机

两台电动机顺序起动、顺序停止电路

2016-10-25 14:20:59 | 人围观 | 评论:

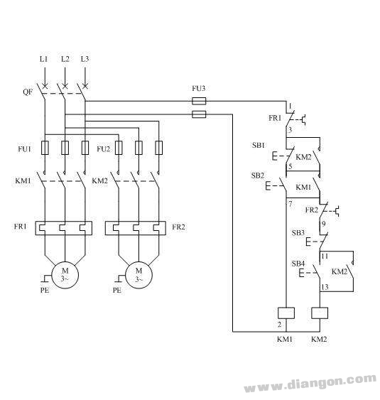
两台电动机顺序起动、顺序停止电路原理图

 

按此在新窗口浏览图片

 

顺序启动、停止控制电路是在一个设备启动之后另一个设备才能启动运行的一种控制方法,常用于主、辅设备之间的控制,如上图当辅助设备的接触器KM1启动之后,主要设备的接触器KM2才能启动,主设备KM2不停止,辅助设备KM1也不能停止。但辅助设备在运行中应某原因停止运行(如FR1动作),主要设备也随之停止运行。

工作过程:

1、合上开关QF使线路的电源引入。

2、按辅助设备控制按钮SB2,接触器KM1线圈得电吸合,主触点闭合辅助设备运行,并且KM1辅助常开触点闭合实现自保。

3、按主设备控制按钮SB4,接触器KM2线圈得电吸合,主触点闭合主电机开始运行,并且KM2的辅助常开触点闭合实现自保。

4、KM2的另一个辅助常开触点将SB1短接,使SB1失去控制作用,无法先停止辅助设备KM1。

5、停止时只有先按SB3按钮,使KM2线圈失电辅助触点复位(触点断开),SB1按钮才起作用。

6、主电机的过流保护由FR2热继电器来完成。

7、辅助设备的过流保护由FR1热继电器来完成,但FR1动作后控制电路全断电,主、辅设备全停止运行。

常见故障;

1、KM1不能实现自锁:

分析处理:

一、KM1的辅助接点接错,接成常闭接点,KM1吸合常闭断开,所以没有自锁。

二、KM1常开和KM2常闭位置接错,KM1吸合式KM2还未吸合,KM2的辅助常开时断开的,所以KM1不能自锁。

2、不能顺序启动KM2可以先启动;

分析处理:

KM2先启动说明KM2的控制电路有电,检查FR2有电,这可能是FR2接点上口的7号线,错接到了FR1上口的3号线位置上了,这就使得KM2不受KM1控制而可以直接启动。

3、不能顺序停止KM1能先停止;

分析处理:

KM1能停止这说明SB1起作用,并接的KM2常开接点没起作用。分析原因有两种。

一、   并接在SB1两端的KM2辅助常开接点未接。

二、   并接在SB1两端的KM2辅助接点接成了常闭接点。

4、SB1不能停止;

分析处理:

检查线路发现KM1接触器用了两个辅助常开接点,KM2只用了一个辅助常开接点,SB1两端并接的不是KM2的常开而是KM1的常开,由于KM1自锁后常开闭合所以SB1不起作用。

 

两台电动机顺序起动、顺序停止电路接线示意图

 

按此在新窗口浏览图片




标签: