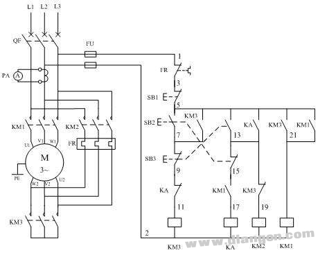
| 鼠笼式三相异步电动机Y-△降压手动控制电路原理图 凡正常运行时定子绕组接成三角形的是三相鼠笼式异步电动机,在启动时临时成星形,待电动机启动后接近额定转速时,在将定子绕组通过Y-△降压启动装置接换成三角形运行,这种启动方法叫Y-△降压启动。属于电动机降压启动的一种方式,由于启动时定子绕组的电压只有原运行电压的,启动力矩较小只有原力矩的,所以这种启动电路适用于轻载或空载启动的电动机。 线路分析如下: 1、合上空气开关QF接通三相电源, 2、按下启动按钮SB2,首先交流接触器KM3线圈通电吸合,KM3的三对主触头将定子绕组尾端联在一起。KM3的辅助常开触点接通使交流接触器KM1线圈通电吸合,KM1三对主常触头闭合接通电动机定子三相绕组的首端,,电动机在Y接下低压启动。 3、随着电动机转速的升高,待接近额定转速时(或观察电流表接近额定电流时),按下运行按钮SB3,此时BS3的常闭触点断开KM3线圈的回路,KM3失电释放,常开主触头释放将三相绕组尾端连接打开,SB3的常开接点接通中间继电器KA线圈通电吸合,KA的常闭接点断开KM3电路(互锁),KM3的常开接点吸合,通过SB2的常闭接点和KM1常开互锁接点实现自保,同时通过KM3常闭接点(互锁)使接触器KM2线圈通电吸合,KM2主触头闭合将电动机三相绕组连接成△,使电动机在△接法下运行。完成了Y-△接压启动的任务。 4、热继电器FR作为电动机的过载保护,热继电器FR的热元件接在三角形的里面,流过热继电器的电流是相电流,定值时应按电动机额定电流的 计算。 5、KM2及KM3常闭触点构成互锁环节,保证了电动机Y-△接法不可能同时出现,避免发生将电源短路事故。 
鼠笼式三相异步电动机Y-△降压手动控制接线示意图 安装注意事项 1、Y-△降压启动电路,只适用于△形接线,380V的鼠笼异步电动机。不可用于Y形接线的电动机应为启动时已是Y形接线,电动机全压启动,当转入△形运行时,电动机绕组会应电压过高而烧毁。 2、接线时应先将电动机接线盒的连接片拆除。 3、接线时应特别注意电动机的首尾端接线相序不可有错,如果接线有错,在通电运行会出现启动时电动机左转,运行时电动机右转,应为电动机突然反转电流剧增烧毁电动机或造成掉闸事故。 4、如果需要调换电动机旋转方向,应在电源开关负荷侧调电源线为好,这样操作不容易造成电动机首尾端接线错误。 5、电路中装电流表的目的,是监视电动机起动、运行电流的,电流表的量程应按电动机额定电流的3倍选择。 常见故障: 1、Y启动过程正常,但按下SB3后电动机发出异常声音转速也急剧下降,这是为什么? 分析现象;接触器切换动作正常,表明控制电路接线无误。问题出现在接上电动机后,从故障现象分析,很可能是电动机主回路接线有误,使电路由Y接转到△接时,送入电动机的电源顺序改变了,电动机由正常启动突然变成了反序电源制动,强大的反向制动电流造成了电动机转速急剧下降和异常声音。 处理故障;核查主回路接触器及电动机接线端子的接线顺序。 2、线路空载试验工作正常,接上电动机试车时,一起动电动机,电动机就发出异常声音,转子左右颤动,立即按SB1停止,停止时KM2和KM3的灭弧罩内有强烈的电弧现象。这是为什么?分析现象;空载试验时接触器切换动作正常,表明控制电路接线无误。问题出现在接上电动机后,从故障现象分析是由于电动机缺相所引起的。电动机在Y起动时有一相绕组为接入电路,电动机造成单相启动,由于缺相绕组不能形成旋转磁场,使电动机转轴的转向不定而左右颤动。 处理故障;检查接触器接点闭合是否良好,接触器及电动机端子的接线是否紧固。 |