你的位置: 首页 > 电工知识 > 电动机

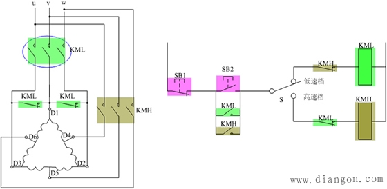
电动机高低速控制线路图解

2017-01-11 09:48:24 | 人围观 | 评论:

当KML线圈得电后,D1、D2、D3接三相电源,因此D4,、D5、D6悬空,电机低速运转。当KML线圈失电、KMH线圈得电后,D1、D2、D3短接,D4、D5、D6接通三相电源,电机高速运行。





标签: