2018-09-12 10:47:15 |
人围观 |
评论:
-
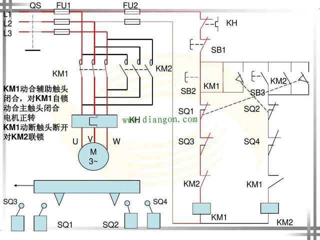
电力维修人员在实际的设备操作过程中,会遇到各种各样的工况需求,有些设备的工作台要在一定的距离上能够实现自动循环往返控制,这个时候可以用行程开关配合电动机控制电路来实现,实际上的电路类似于行程开关控制的电动机自动正反转电路,接下来我们一起来看一下自动往返控制电路。
一、行程开关控制的电动机自动往返控制电路参考图。

二、由行程开关控制的电动机自动往返控制电路动作过程解析:












注明:行程开关SQ3,行程开关SQ4位于工作台的两侧,目的在于对电路进行极限保护,即双重行程开关用来停止电动机的极限运行,相对的更加的安全,可靠和实用。
-