2024-01-20 16:18:51 | 人围观 | 评论:
我们一般都会见到如下的一个典型的控制框图,即通过三个环路来实现位置控制(以电机作为最终的出力元件)。外环为位置环,中间为速度环,最内部为电流环,很多第一次接触这种控制方式的人都会多多少少有点疑问:为什么是这是三个环路?换一个行不行?

好了,如果我们将上面的环路稍微变形一下,可能会有助于大家的理解:

即最内环换成了加速度环,细心的童鞋可能已经注意到了某种规律——位置、速度、加速度,内环是外环的导数?这貌似是有那么一点点规律!——其实呢内环电流环和加速度环是等价的,因为对于理想电机而言,其转矩和电流成正比(比例就是转矩系数),转动惯量可近似认为是常值,这样加速度就和电流成正比,因为电机中电流更容易测量,所以呢一般用电流环来代替加速度环。
好了,那怎么理解这三个环路呢?为什么位置换控制器的输出就是速度环呢?输入呢?——可以这么简单的理解:要想控制位置,可以通过调节速度来实现,因为速度随时间的积分就是位置,合适的速度经过一定的时间就能达到想要的位置;同样,速度可以通过调节合适的电流来实现;那么怎么调节电流呢?
——调节电压啊,怎么调节电压呢?——逆变器啊!好了,是不是知识点都串起来了?——我们先简单的了解一下,后面再进行理论分析。
二、如何设计一个直流电机电流环
先以简单的直流电机为例,一个典型的直流电机的数学模型如下:

所以电流环的的一般控制模型为:

我们画个伯德图看一下这个系统的响应是多少!
figure('color','w');
H = tf([1e6],[1 1500 1e6]);
bode(H);
grid on;

可见在1000rad/s时系统的幅值衰减到-3.53dB,相位滞后90°。
figure('color','w');
H = tf([1450 1e6],[1 1500 1e6]);
w=logspace(2,4,10000);
bode(H,w);
grid on;

可见,有零点之后1000rad/s时幅值响应为1.4dB,相位响应为-34.8°,和无零点的简化模型有区别,但是主要特征没有发生明显变化,为简单期间呢,我们一般都会用无零点的模型进行控制器设计。
同时注意到,有零点的模型在截止频率附近幅值响应是大于0dB的,也就是大于1的,因此可以预见,系统的响应会出现一定的超调,我们不妨搭个simulink模型看看:

当指令是阶跃指令时,可以看到响应非常快,同时又一定的超调。

三、什么是积分饱和
在一文中,我们说了,一个系统的截止频率越高,能通过的信号的带宽就越大,这样系统的响应就约快速、越及时,响应时间就越短。理论上只要我们设定了想要的截止频率和阻尼比 ,我们都可以设计一个控制器进行整定,已达到我们设定的带宽——等等,这好像和我们的常识有悖啊,没听说过哪个系统的带宽可以无限宽啊!
问题在哪呢?——首先我们前面的理论分析完全没有问题,理论上截止频率确实可以达到无限宽,但有一个前提,那就是我们要有一个能力无限大的电源!如何理解这句话?

我们把PI控制器的输出显示出来,上图中绿色示波器位置。

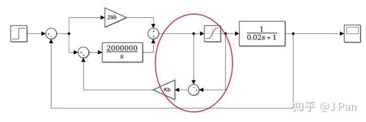
可以看出,为了达到较高的截止频率,需要给绕组的电源电压达到了接近300V,如果想提高截止频率,这个值还会更高,而我们一般的供电电压可能只有28V,那怎么办呢?我们需要在PI控制器后面加一个限幅,如下图所示:

我们以为皆大欢喜了,可是我们计算完后又发现了问题,那就是加完限幅后系统出现了大的超调,如下图所示,这是什么原因呢?

原因也很简单,那就是积分器输出饱和了!——什么意思?请看下图,红色线为原始的PI控制器输出,因为限幅,其实际的输出为绿色线所示(红色和绿色线纵坐标在右侧,蓝色线纵坐标在左侧)。在电流(蓝色线)到达理论值前,由于误差一直是正值,因此积分器不断积分,数值也不断增大,直到到达理论值时积分器达到达最大值,而这个值和限幅相比大的多(800比28)。在电流超过理论值后,误差开始变为幅值,积分器的数值开始减小,但由于之前的数值太大了,需要一段时间后才能减小到零甚至幅值,在到零之前积分器还是正值,而且大部分时间都是很大的值,因此限幅后的PI控制器在电流到达理论值后还会维持一段时间的正值(见绿色线),导致电流出现了较大的超调,这种情况一般叫迎风超调(windup)。

那怎么解决呢?——是不是可以减小PI控制器的积分增益呢?当然是可以的,但这样会导致响应变慢,减小带宽。一个最常见的方法就是采用抗积分饱和的方法(anti-windup),抗积分饱和的方法有很多种,比如积分遇限消弱法(clamping)、积分分离法以及反馈抑制抗饱和法以及变种等,我们简要介绍一下反馈抑制饱和法。
反馈抑制饱和法的采用反馈的基本思想:当饱和时,对积分项加入负反馈,使其尽快退出饱和,具体实现见下图:

对积分回路增肌负反馈环节,即当积分器积分量较大时,通过负反馈减小其积分值,确保其在一定的范围内。进行积分抑制饱和后其电流的实际响应见下图所示,可见响应时间略慢(因为电压限幅了),但是也没有出现较大的超调。

前面分析的都是理论情况,实际上还要复杂一点,比如PI控制器的输出要经过一个计算周期才能更新一次,PWM计算模块计算的三极管门信号最大可能延迟一个斩波周期,逆变器(比如IGBT)从接收到信号到管子作用也要一个时间,以及反馈电流的采集、滤波都有延迟时间,这些要么是延时环节,要么是惯性环节,都会影响带宽,引入这些环节的电流环设计与前面所述的方法是一致的,只是略复杂一点(即将这些量与绕组一起等效成一个大的惯性环节)。当然,一般这些量与电机的电气时间常数 相比都比较小,大多数情况下为简单期间可以先忽略。

四、如何设计速度环
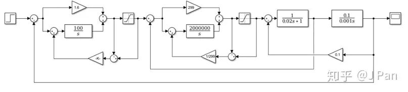
有了电流环,我们就可以设计速度环了,完整的速度环框图如下图所示:

因为电信号的变化是非常快的,电机的电气时间常数一般比机械时间常数小的多,通常我们将电流环的截止频率设计的尽量高,速度环的截止频率要低一些。
在速度环里,因为机械时间常数比电气时间常数大的多,也就是说在一个电气时间常数里面,电机的速度可以认为是不怎么变的,也就是说为简单起见,在速度环里,电流环可以认为响应非常快,可以忽略掉,从而简化成如下结构:

同样我们也加上积分反馈抑制饱和,完整simulink模块如下:

其电流响应曲线和速度响应曲线如下:

可见,最开始的时候,电流迅速达到设定的最大值,使电机达到最大速度,电流的稳定时间明显比速度小,结束的时候,电流也迅速下降实现制动。
五、如何设计位置环
有了电流环和速度环,相信大家应该已经会设计位置环了。

同样,假定位置环的截止频率小于速度环,忽略速度环的响应时间,则系统可简化为:

怎么样,简单吧,那就拿simulink自己试试吧,别忘了积分饱和哦。
编辑:黄飞
全站搜索