2024-02-29 02:32:07 | 人围观 | 评论:

为了电路设计的稳定和安全性,CN8001A可以提供高达0.8A的输出电流,且具有过流保护和过热保护功能,实现更加复杂的功能逻辑。面对电机的应用需求,其极宽的供电电压范围(2V~6V),也为更加多样的系统设计提供可能性。

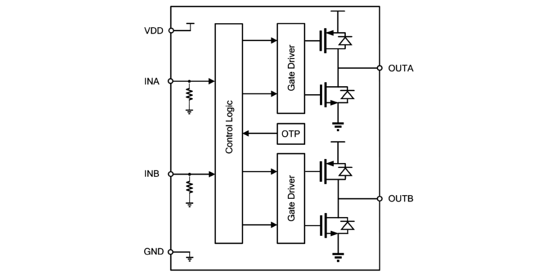
应用框图
芯北科技H桥电机驱动CN8001A特点:
1、提供2V至6V宽功率范围,0.8A最大连续输出;
2、高于2A的峰值电流能力;
3、具有过流保护点2.5A;
4、具有低MOSFET导通电阻:Rhs=0.3Ω,Rls =0.15Ω;
5、提供正向,反向,惯性或制动输出模式;
6、适用于广泛的MCU控制逻辑,输入逻辑迟滞;
7、提供热关断以及过流保护功能; 随着市场越加火热,芯北科技H桥电机驱动CN8001A在玩具车应用上将会更加具有高性价比。同时由于进口芯片的供货问题,***在价格和交期上将会更加有优势。
编辑:黄飞
全站搜索