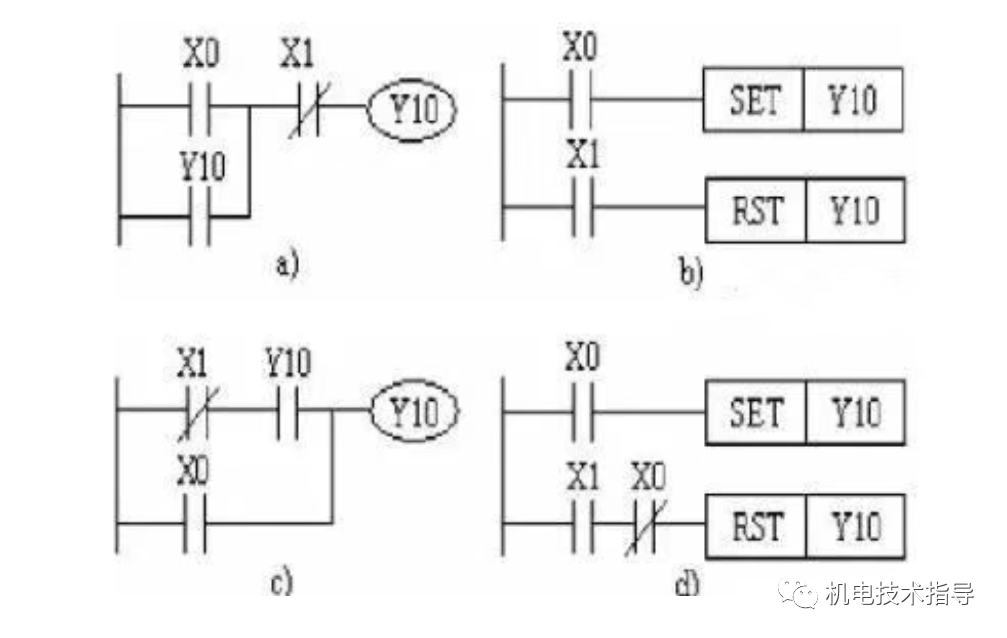
2024-03-22 02:32:56 | 人围观 | 评论:

2、多地控制电路
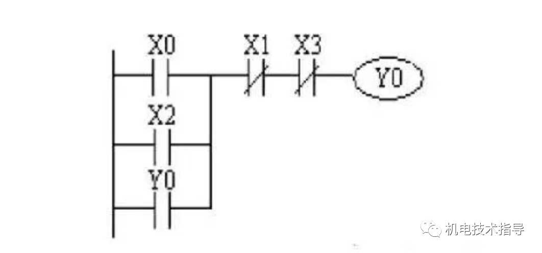
下图是两个地方控制一个继电器线圈的程序。其中X0和X1是一个地方的起动和停止控制按钮,X2和x3是另一个地方的起动和停止控制按钮。

3、互锁控制电路
下图是3个输出线圈的互锁电路。其中X0、 X1和X2是起动按钮,X3是停止按钮。由于Y0,Y1,Y2每次只能有一个接通,所以将Y0, Y1,Y2的常闭触点分别串联到其它两个线圈的控制电路中。

4、顺序启动控制电路
如图所示,Y0的常开触点串在Y1的控制回路中,Y1的接通是以Y0的接通为条件。这样,只有Y0接通才允许Y1接通。Y0关断后Y1也被关断停止,而且Y0接通条件下,Y1可以自行接通和停止。X0,X2为起动按钮,X1,X3为停止按钮。

5、电机正反转控制电路

6、集中与分散控制电路 在多台单机组成的自动线上,有在总操作台上的集中控制和在单机操作台上分散控制的联锁。集中与分散控制的梯形图如下图所示。x2为选择开关,以其触点为集中控制与分散控制的联锁触点。当 X2为ON时,为单机分散起动控制;当x2为OFF时,为集中总起动控制。在两种情况下,单机和总操作台都可以发出停止命令。

编辑:黄飞
全站搜索