2024-03-22 02:32:56 | 人围观 | 评论:

(2)继电器电路图中的中间继电器和时间继电器的处理
继电器电路图中的中间继电器和时间继电器的功能用PLC内部的辅助继电器和定时器来完成,它们与PLC的输入继电器和输出继电器无关。

(3)设置中间单元
在梯形图中,若多个线圈都受某一触点串/并联电路的控制,为了简化电路,在梯形图中可设置用该电路控制的辅助继电器,辅助继电器类似于继电器电路中的中间继电器。

(4)时间继电器瞬动触点的处理
时间继电器除了延时动作的触点外,还有在线圈得电或失电时立即动作的瞬动触点。对于有瞬动触点的时间继电器,可以在梯形图中对应的定时器的线圈两端并联辅助继电器,后者的触点相当于时间继电器的瞬动触点。

(5)外部联锁电路的设立
为了防止控制正/反转的两个接触器同时动作,造成三相电源短路,除了在梯形图中设置与它们对应的输出继电器的线圈串联的动断触点组成的软互锁电路外,还应在PLC外部设置硬互锁电路。

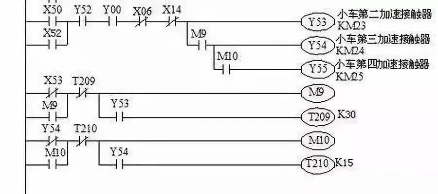
2、梯形图的结构分析
采用一般编程方法还是采用顺序功能图编程方法;采用顺序功能图的单序列结构还是选择序列结构、并行序列结构,使用启/保/停电路、步进顺控指令进行编程还是用置位/复位指令进行编程。
梯形图的分解由操作主令电路(如按钮)开始,查线追踪到主电路控制电器(如接触器)动作,中间要经过许多编程元件及电路,查找起来比较困难。
无论多么复杂的梯形图,都是由一些基本单元构成的。按主电路的构成情况,利用逆读溯源法,把梯形图和指令语句表分解成与主电路的用电器(如电动机)相对应的几个基本单元,然后一个环节、一个环节地分析,最后再利用顺读跟踪法把各环节串起来。

(1)按钮、行程开关、转换开关的配置情况及作用
在PLC的I/O接线图中有许多行程开关和转换开关,以及压力继电器、温度继电器等,这些电器元件没有吸引线圈,它们的触点的动作是依靠外力或其他因素实现的,因此必须先把引起这些触点动作的外力或因素找到。其中行程开关由机械联动机构来触压或松开,而转换开关一般由手工操作,从而使这些行程开关、转换开关的触点在设备运行过程中便处于不同的工作状态,即触点的闭合、断开情况不同,以满足不同的控制要求,这是看图过程中的一个关键。
这些行程开关、转换开关的触点的不同工作状态单凭看电路图难以搞清楚,必须结合设备说明书、电器元件明细表,明确该行程开关、转换开关的用途,操纵行程开关的机械联动机构,触点在不同的闭合或断开状态下电路的工作状态等。

(2)采用逆读溯源法将多负载(如多电动机电路)分解为单负载(如单电动机)电路
根据主电路中控制负载的控制电器的主触点文字符号,在PLC的I/O接线图中找出控制该负载的接触器线圈的输出继电器,再在梯形图和指令语句表中找出控制该输出继电器的线圈及其相关电路,这就是控制该负载的局部电路。
在梯形图和指令语句表中,很容易找到该输出继电器的线圈电路及其得电、失电条件,但引起该线圈的得电、失电及其相关电路就不容易找到,可采用逆读溯源法去寻找:
在输出继电器线圈电路中串、并联的其他编程元件触点的闭合、断开就是该输出继电器得电、失电的条件。
由这些触点再找出它们的线圈电路及其相关电路,在这些线圈电路中还会有其他接触器、继电器的触点……

如此找下去,直到找到输入继电器(主令电器)为止。值得注意的是:当某编程元件得电吸合或失电释放后,应该把该编程元件的所有触点所带动的前、后级编程元件的作用状态全部找出,不得遗漏。
找出某编程元件在其他电路中的动合触点、动断触点,这些触点为其他编程元件的得电、失电提供条件或者为互锁、联锁提供条件,引起其他电器元件动作,驱动执行电器。

(3)将单负载电路进一步分解
控制单负载的局部电路可能仍然很复杂,还需要进一步分解,直至分解为基本单元电路。
(4)分解电路的注意事项
若电动机主轴接有速度继电器,则该电动机按速度控制原则组成停车制动电路。
若电动机主电路中接有整流器,表明该电动机采用能耗制动停车电路。
(5)集零为整,综合分析
把基本单元电路串起来,采用顺读跟踪法分析整个电路。
编辑:黄飞
全站搜索