2024-03-28 02:32:43 | 人围观 | 评论:

2、交通信号灯系统正常工作时序图

3、实现主干道信号灯控制的梯形图



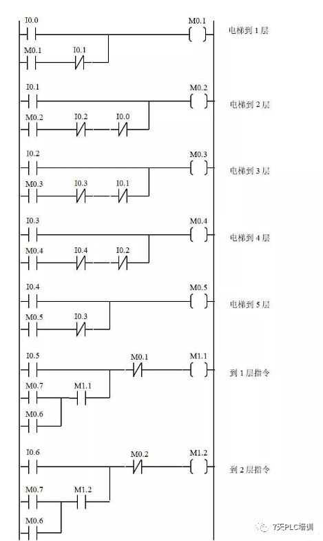
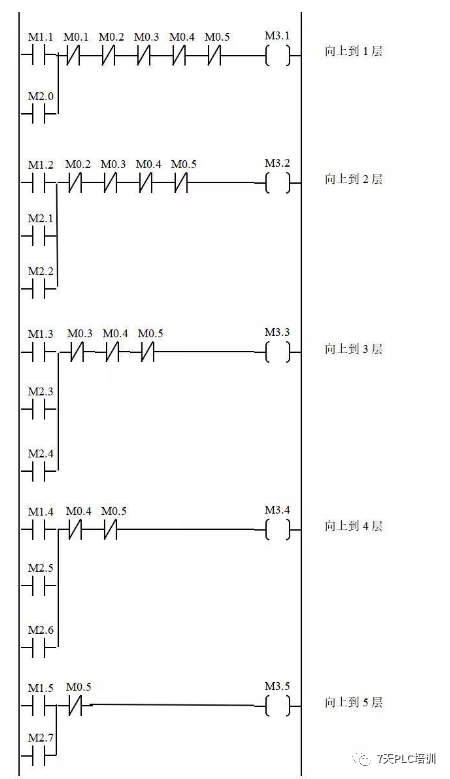
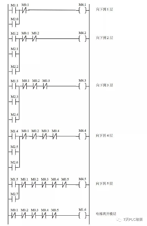
•PLC实例 - 五层电梯控制•
1、五层电梯控制PLC配置图

2、实现五层电梯换向和换速控制的梯形图







•PLC实例 - 星三角降压启动•
1、星—角降压启动电机控制原理图

2、电机控制PLC配置图

3、实现电机控制的梯形图


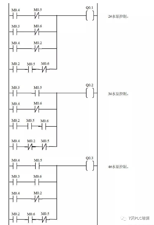
•PLC实例 - 恒压供水•
1、恒压供水控制PLC配置图

2、恒压供水系统控制梯形图




编辑:黄飞
全站搜索