2024-04-12 02:32:13 | 人围观 | 评论:

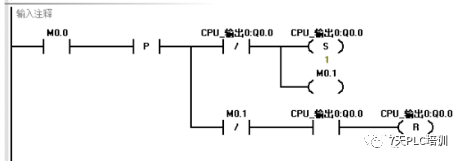
采用位逻辑指令结合PLC工作原理实现一键启停的程序编写

采用逻辑运算取反指令实现一键启停的程序编写

采用逻辑运算异或指令实现一键启停的程序编写

复位优先双稳态指令

利用扫描关系原理

计数器

除此以外还有其他各种各样的编写方式,但前面两种方式适用于任何品牌系列的PLC 。所谓PLC学习,那必须的20%的理论+70%的实践,只有将理论实践化,才能真正的掌握这门技能!
编辑:黄飞
全站搜索