你的位置: 首页 > 机械维修 > 机电一体化

流体压强传感器

2016-10-23 11:25:06 | 人围观 | 评论:

1. 膜式压力传感器
它的弹性元件为四周固定的等截面圆形薄板,又称平膜板或膜片。其一表面承受被测分布压力,另一侧面贴有应变片。应变片接成桥路输出,如图1所示。
图1 膜式压力传感器
膜片上粘贴应变片处的径向应变εr和切向应变εt与被测力p之间的关系为
式中: ;
x――应变计中心与膜片中心的距离;
h――膜片厚度;
r――膜片半径;
E――膜片材料的弹性模量;
μ――膜片材料的泊松比。
为保证膜式传感器的线性度小于3%,在一定压力作用下,要求
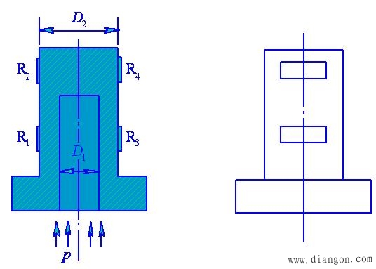
2. 筒式压力传感器
图2 筒式压力传感器
对于薄壁圆筒(壁厚与臂的中面曲率半径之比<1/20),筒壁上工作应变计处的切向应变与被测压力p的关系,可用下式求得:
对于厚壁圆筒(壁厚与中面曲率半径之比大于1/20 ),则有
式中:
D1――圆筒内孔直径;
D2――圆筒的外壁直径;
E――圆筒材料的弹性模量;
μ――圆筒材料的泊松系数。




标签:

相关内容推荐: