你的位置: 首页 > 机械维修 > 机电一体化

计算机12位A/D转换器AD574

2016-10-25 13:12:22 | 人围观 | 评论:

AD574是一个完整的12位逐次逼近式带三态缓冲器的A/D转换器,它可以直接与8位或16位微型机总线进行接口。AD574的分辨率为12位,转换时间为15~35μs。AD574有6个等级,其中AD574AJ、AD574AK和AD574AL适合在0~+70℃温度范围内工作,AD574AS、AD574AT和AD574AV适合在-55~+125℃温度范围内工作。
1.AD574的电路组成
AD574的原理框图如图1所示。AD574由模拟芯片和数字芯片两部分组成。
图1 AD574原理框图
2AD574的引脚功能说明
AD574各个型号都采用28引脚双列直插式封装,引脚图如图2所示。
图2 AD574引脚图
AD574各主要管脚的功能如下:
DB0~DB11――12位数据输出,分三组,均带三态输出缓冲器。
ULOGIC――逻辑电源+5V(+4.5~+5.5V)。
UCC――正电源+15V(+13.5~+16.5V)。
UEE――负电源-15V(-13.5~-16.5V)。
AGND、DGND――模拟和数字地。

STS――转换状态信号。转换开始STS=1,转换结束STS=0。
10VIN――模拟信号输入。单极性0~10V,双极性±5V。
20VIN――模拟信号输入。单极性0~20V,双极性±10V。
REFIN――参考电压输入。
REFOUT――参考电压输出。
BIPOFF――双极性偏置。
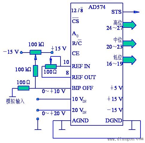
AD574的真值表如表所示。单极性输入电路和双极性输入电路分别如图3、图4所示。
表 AD574真值表

图3 AD574单极性输入电路
图4 AD574双极性输入电路




标签:

相关内容推荐: