2016-10-31 09:32:45 | 人围观 | 评论:

图1 直接接口与接口系统
常用接口的分类方法:
1.根据接口的变换和调整功能,可将接口分为零接口、被动接口、主动接口和智能接口;
2.根据接口的输入/输出对象,可将接口分为机械接口、电气接口、信息接口与环境接口等;
3.根据接口的输入/输出类型,可将接口分为数字接口、开关接口、模拟接口和脉冲接口。
二、电气接口
按照在系统中所起的作用,分为输入接口、输出接口;信号转换与隔离接口;设备专用接口;通信显示接口。
(一)、异步串行通信接口
RS-232C;接口信号、电气特性、电平转换
RS-499,RS-422A,RS-423A,RS-485;
20mA电流环
(二)常用接口元件
1.光电耦合器
在控制微机和功率放大电路之间,常常使用光电耦合器。光电耦合器由发光二极管和光敏晶体管组成,当在发光二极管二端加正向电压时,发光二极管点亮,照射光敏晶体管使之导通,产生输出信号。
光电耦合器的信号传递采取电-光-电形式,发光部分和受光部分不接触,因此其绝缘电阻可高达1010W以上,并能承受200OV以上的高压,被耦合的两个部分可以自成系统,能够实现强电部分和弱电部分隔离,避免干扰由输出通道窜入控制微机。光电耦合器的发光二极管是电流驱动器件,能够吸收尖峰干扰信号,所以具有很强的抑制干扰能力。
光电耦合器作为开关应用时,具有耐用、可靠性高和高速等优点,响应时间一般为数微秒以内,高速型光电耦合器的响应时间有的甚至小于10ns 。

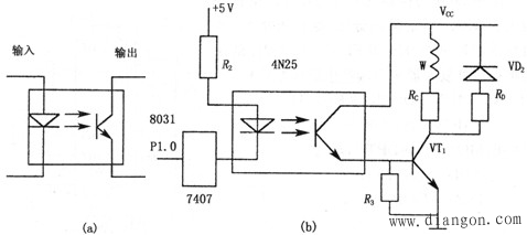
图2 光电耦合器件
图b是光电耦合器的接口电路,图中的VT1是大功率晶体管,W是步进电动机、接触器等的线圈,VD2 是续流二极管。若无二极管VD2,当 VT1 由导通到截止时,由换路定则可知,电感W的电流不能突然变为0,它将强迫通过晶体管VT1 。由于VT1 处于截止状态,在VT1 两端产生非常大的电压,有可能击穿晶体管。若有续流管VD2,则为W 的电流提供了通路,电流不会强迫流过晶体管,从而保护了晶体管。
在接口电路设计中,应考虑光电耦合器的两个参数:电流传输比与时间延迟。电流传输比是指光电晶体管的集电极电流IC与发光二极管的电流Ii之比。不同结构的光电耦合器的电流传输比相差很大,如输出端是单个晶体管的光电耦合器4N25的电流传输比≥20%,而输出端使用达林顿管的光电耦合器4N33的电流传输比≥500%,电流传输比受发光二极管的工作电流Ii影响,当Ii 为10~2OmA时,电流传输比最大。时间延迟是指光电耦合器在传输脉冲信号时,输出信号与输入信号的延迟时间。
2.晶闸管
晶闸管又称可控硅,是目前应用最广的半导体功率开关元件,其控制电流可从数安到数千安。晶闸管的主要类型有单向晶闸管SCR,双向晶闸管Trim和可关断晶闸管GTO等三种基本类型,此外还有光控晶闸管、温控晶闸管等特殊类型。
(1)单向晶闸管(SCR)
符号和原理如右图所示。SCR有三个极,分别为阳极A阴极K和控制极G(又称门极)从物理结构看,它是一个PNPN器件,其工作原理可以用一个PNP晶体管和一个NPN晶体管的组合来加以说明。SCR有截止和导通两个稳定状态,两种状态的转换可以由导通条件和关断条件来说明。

图3 单向晶闸管
导通条件是指晶闸管从阻断到导通所需的条件,这个条件是在晶闸管的阳极加上正向电压,同时在控制极加上正向电压。关断条件是指晶闸管从导通到阻断所需要的条件。晶闸管一旦导通,控制极对晶闸管就不起控制作用了。只有当流过晶闸管的电流小于保持晶闸管导通所需要的电流即维持电流时,晶闸管才关断。
(2) 双向晶闸管(TRIAC)

图4 双向晶闸管
双向晶闸管是双向导通的,它从一个方向过零进入反向阻断状态只是一个十分短暂的过程,当负载是感性负载时(如电枢),由于电流滞后于电压,有可能使电压过零时电流仍存在,从而导致双向晶闸管失控(不关断)。为使双向晶闸管正常工作,应在其两主电极A1与A2间加RC电路。
双向晶闸管(TRIAC) 具有公共门极的一对反并联普通晶闸管,其结构和符号见图。图中N2区和P2区的表面被整片金属膜连通,构成双向晶闸管的一个主电极,此电极的引出端子称为主端子,用A2表示;N3区和P2区的一小部分被另一金属膜连通,构成一对反并联主晶闸管的公共门极端,用G表示;P1区和N4区被金属膜连通,构成双向晶闸管的另一个主电极,叫做主端子A1。这样,P1-NI-P2-N2和P2-N1-P1-N4就分别构成了双向晶闸管中一对反并联的晶闸管的主体
(3)门极可关断晶闸管(GTO)
内部结构及表示符号如图所示。当门极加上正控制信号时GTO导通,门极加上负控制信号时GTO截止 。GTO是一种介于普通晶闸管和大功率晶体管之间的电力电子器件,它既像SCR那样耐高压、通过电流大、价格便宜,又像GTR那样具有自关断能力、工作频率高、控制功率小、线路简单、使用方便。

图5 门极可关断晶闸管
(4) 光控晶闸管
是把光电耦合器件与双向晶闸管结合到一起形成的集成电路,其典型产品有MOC3041、MOC3021等。光控晶闸管的输入电流一般为lO~10OmA, 输入端反向电压一般为6V;输出电流一般为1A,输出端耐压一般为400~60OV。光控晶闸管是特种晶闸管,大多用于驱动大功率的双向晶闸管。
(5) 温控晶闸管
是一种小功率晶闸管,其输出电流一般为100mA左右。温控晶闸管的开关特性与普通晶闸管相同,性能优于热敏电阻、PN结温度传感器。温控晶闸管的温度特性是负特性,也就是说当温度升高时,正向温控晶闸管的门槛电压会降低。用温控晶闸管可实现温度的开关控制,在温控晶闸管的门极和阳极或阴极之间加上适当器件,如电位器、光敏管、热敏电阻等,可以改变晶闸管导通温度值。温控晶闸管也是特种晶闸管,一般用于50V以下的低压场合。
3.功率晶体管(GTR)
功率晶体管是指在大功率范围应用的晶体管,有时也称为电力晶体管。GTR是20世纪70年代后期的新产品,它把传统双极晶体管的应用范围由弱电扩展到强电领域,在中小功率领域有取代功率晶闸管的趋势。与晶闸管相比,GTR不仅可以工作在开关状态,也可以工作在模拟状态;GTR的开关速度远大于晶闸管,并且控制比晶闸管容易;其缺点是价格高于晶闸管。

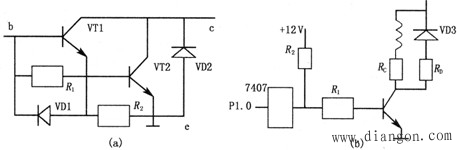
图6 功率晶体管
GTR的结构如图a所示。功率晶体管不是一般意义上的晶体管,从本质上讲,它是一个多管复合结构,有较大的电流放大倍数,其功率可高达几千瓦。其中的VT1和VT2 组成达林顿管,二极管VD1是加速二极管,在输入端b的控制信号从高电平变成低电平的瞬间,二极管VD1导通,可以使VT1的一部分射极电流经过VD1流到输入端b,从而加速了功率晶体管的关断。VD2是续流二极管,对晶体管VT2起保护作用,特别对于感性负载,当GTR关断时,感性负载所存储的能量可以通过VD2的续流作用而释放,从而避免对GTR的反向击穿。
在机电一体化产品中,它基本上被用来做高速开关器件,图b是用功率晶体管做功放元件的步进电动机一相绕组的驱动电路。在实际应用中应注意,当功率晶体管工作在开关状态时,其基极输入电流应选得大一些,否则,晶体管会增加自身压降来限制其负载电流,从而有可能使功率晶体管超过允许功率而损坏。这是因为晶体管在截止或高导通状态时,功率都很小,但在开关过程中,晶体管可能出现高电压、大电流,瞬态功耗会超过静态功耗几十倍。如果驱动电流太小,会使晶体管陷入危险区。
4.功率场效应晶体管(MOSFET)
功率场效应晶体管又称功率MOSFET,它的结构和传统MOSFET不同,主要是把传统MOSFET的电流横向流动变为垂直导电的结构模式,目的是解决MOSFET器件的大电流、高电压问题,如图所示。其中G为栅极,即控制极,S为源极,D为漏极。在漏极D和源极S间的反向二极管是在管子制造过程中形成的。

图7 功率场效应晶体管
它具有比双极性功率晶体管更好的特性,主要表现在以下几个方面:
(1)由于功率MOSFET是多数载流子导电,因而不存在少数载流子的储存效应,从而有较高的开关速度;
(2)具有较宽的安全工作区而不会产生热点,同时,由于它具有正的电阻温度系数,所以容易进行并联使用;
(3)有较高的阈值电压(2~6V),因此有较高的噪声容限和抗干扰能力;
(4)具有较高的可靠性和较强的过载能力,短时过载能力通常为额定值的四倍;
(5)由于它是电压控制器件,具有很高的输入阻抗,因此驱动电流小,接口简单。
5.C绝缘栅双极晶体管(IGBT)
C绝缘栅双极晶体管是20世纪80年代出现的新型复合器件,它将MOSFET和GTR的优点集于一身,既具有输入阻抗高、速度快、热稳定性好和驱动电路简单的特点,又具有通态电压低、耐压高和承受电流大等优点。
6.固态继电器(SSR)
固态继电器是一种无触点功率型通断电子开关,又名固态开关。控制端有触发信号时,主回路呈导通状态,无控制信号时主回路呈阻断状态。控制回路与主回路间采取了电隔离及信号隔离技术。固态继电器与电磁继电器相比,具有工作可靠、使用寿命长、能与逻辑电路兼容、抗干扰能力强、开关速度快和使用方便等优点。
图示出为8031单片机通过固态继电器控制交流接触器的控制线路。当P1.0输出高电平时,固态继电器导通,交流接触器 K 闭合,主电路导通, P1.0为低电平,则主电路关断。

图8 固态继电器与单片机接口
(三)、CPU与高压大电流负载的接口
在机电一体化控制系统中,有时需要用微机控制各种各样的高压、大电流负载,如电机、电磁铁、继电器等。显然,这些大功率负载不能用CPU的I/O线来直接驱动,而必须通过各种驱动电路和开关电路来驱动。此外,为了隔离和抗干扰,有时需加接光电耦合器。
1.光电耦合器及其驱动电路

图9 光电耦合器4N25的接口电路
2.Mcs-51单片机与继电器的接口

3.单片机与双向晶闸管的接口
4.单片机与功率场效应晶体管的接口
全站搜索