2022-03-13 10:32:09 |
人围观 |
评论:
-
电容的符号用字母C表示,单位是:F(法),此外还有μF(微法)、pF(皮法),nF,由于电容F的容量非常大,所以我们看到的一般都是μF、nF、pF的单位,而不是F的单位。他们之间的具体换算如下:
1F(法拉)=1000mF(毫法) ,1(毫法) =1000uF(微法) ,1(微法) =1000nF(纳法) ,1(纳法)=1000pF(皮法)。
规则:单位省略表示为pF,例如
101(pF)=10 * 10^1 = 100pF = 0.1nF;
104(pF)=10 * 10^4 = 100000pF = 0.1uF;
105(pF)=10 * 10^5 = 1000000pF = 1uF。
电容的耐压值:电容不同,耐压值也会不同,普通无极性电容的标称耐压值有:63V、100V、160V、250V、400V、600V、1000V等,有极性电容的耐压值相对要比无极性电容的耐压要低,一般的标称耐压值有:4V、6.3V、10V、16V、25V、35V、50V、63V、80V、100V、220V、400V等。
常用电容按介质区分有纸介电容、油浸纸介电容、金属化纸介电容、云母电容、薄膜电容、陶瓷电容、电解电容等。在构造上,又分为固定电容器和可变电容器.按极性分为:有极性电容和无极性电容。 我们最常见到的就是电解电容。
电容器在电子设备中充当整流器的平滑滤波、电源的退耦、交流信号的旁路、交直流电路的交流耦合等。
1、电解电容器按阀金属划分,可分为铝电解电容器、钽电解电容器、钽铌合金电解电容器三种。
2、电解电容器按电解质状态划分,可分为固体电解电容器、液体(湿式)电解电容器两种。
3、电解电容器按按正负极呈现状态划分,可分为箔式卷绕型电解电容器、烧结型电解电容器两种。
结合图例我们再具体了解一下电容的功能

滤波:前面我们提到滤波电容将一定频段内的信号从总信号中去除,但是这样理解比较抽象,不容易理解,我们再详细讲解一下:在整流电路之后接入一个较大容量的电解电容,利用其充放电特性,使整流后的脉动直流电压变成相对比较稳定的直流电压。由于大容量的电解电容一般具有一定的电感,对高频及脉冲干扰信号不能有效地滤除,故在其两端并联了一只小容量的电容,以滤除高频及脉冲干扰.
结合实物了解电容的滤波功能,图中是个直流稳压电路,C1,C2起滤波作用,,大电容通低频,小电容通高频,经过电容的滤波作用,过滤掉电路中的交流成分,电容的作用就是通高频阻低频;电容越大,低频越容易通过,电容越小高频越容易通过,这就是电路的滤波功能,

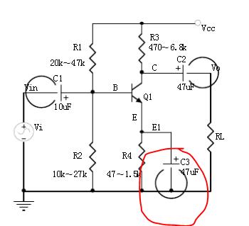
旁路电容:将混有高频电流和低频电流的交流电中的高频成分旁路掉的电容,称做“旁路电容”。上图为电路的旁路作用,因为电容的隔直通交特性,使得上图C1不能通过直流分量,但对于交流电时,C3对交流成分 近似于短路状态 ,所以交流成分不会经过 R2,直接被C3旁路掉了 , 旁路的作用是产生一个交流分路,旁路电容一般指高频旁路,

去耦:一方面是集成电路的蓄能电容,另一方面旁路掉该器件的高频噪声。去耦电容用在放大电路中不需要交流的地方,用来消除自激,使放大器稳定工作。去耦和旁路都可以看作滤波,滤波电容用在电源整流电路中,用来滤除交流成分。使输出的直流更平滑。去耦电容相当于电池,避免由于电流的突变而使电压下降,相当于滤纹波。在电子电路中,去耦电容和旁路电容都是起到抗干扰的作用,电容所处的位置不同,称呼就不一样了。对于同一个电路来说,旁路电容是把输入信号中的高频噪声作为滤除对象,把前级携带的高频杂波滤除,而去耦电容也称退耦电容,是把输出信号的干扰作为滤除对象。
从电路来说,总是存在驱动的源和被驱动的负载。如果负载电容比较大,驱动电路要把电容充电、放电,才能完成信号的跳变,在上升沿比较陡峭的时候,电流比较大,这样驱动的电流就会吸收很大的电源电流,由于电路中的电感,电阻(特别是芯片管脚上的电感,会产生反弹),这种电流相对于正常情况来说实际上就是一种噪声,会影响前级的正常工作。这就是耦合。
-